EasyManua.ls Logo

Geely FC - Page 416

Geely FC
419 pages
Print Icon
To Next Page IconTo Next Page
To Next Page IconTo Next Page
To Previous Page IconTo Previous Page
To Previous Page IconTo Previous Page
Loading...
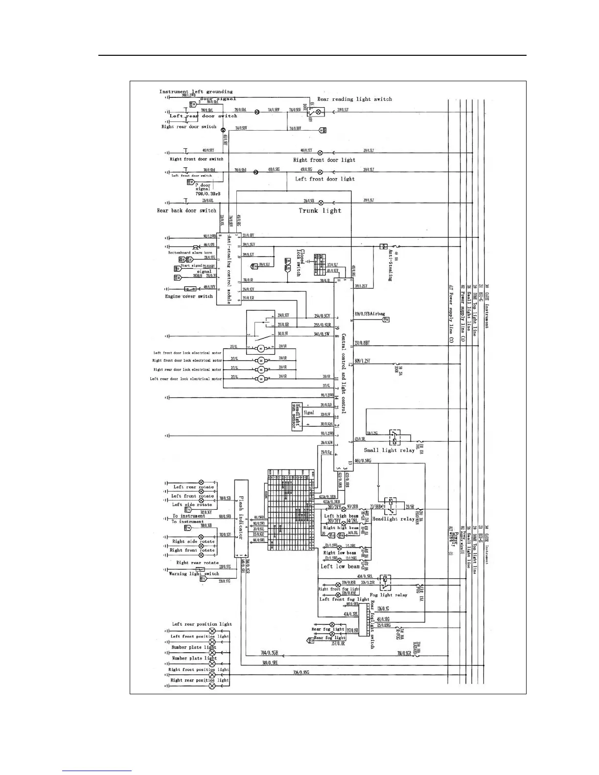
Door control system Anti-stealing system Central control system Light system
Electrical schematic diagram--Door control system Anti-stealing system Central control system Light system
 405 

Table of Contents

Related product manuals