EasyManua.ls Logo

Geely FC - Page 417

Geely FC
419 pages
Print Icon
To Next Page IconTo Next Page
To Next Page IconTo Next Page
To Previous Page IconTo Previous Page
To Previous Page IconTo Previous Page
Loading...
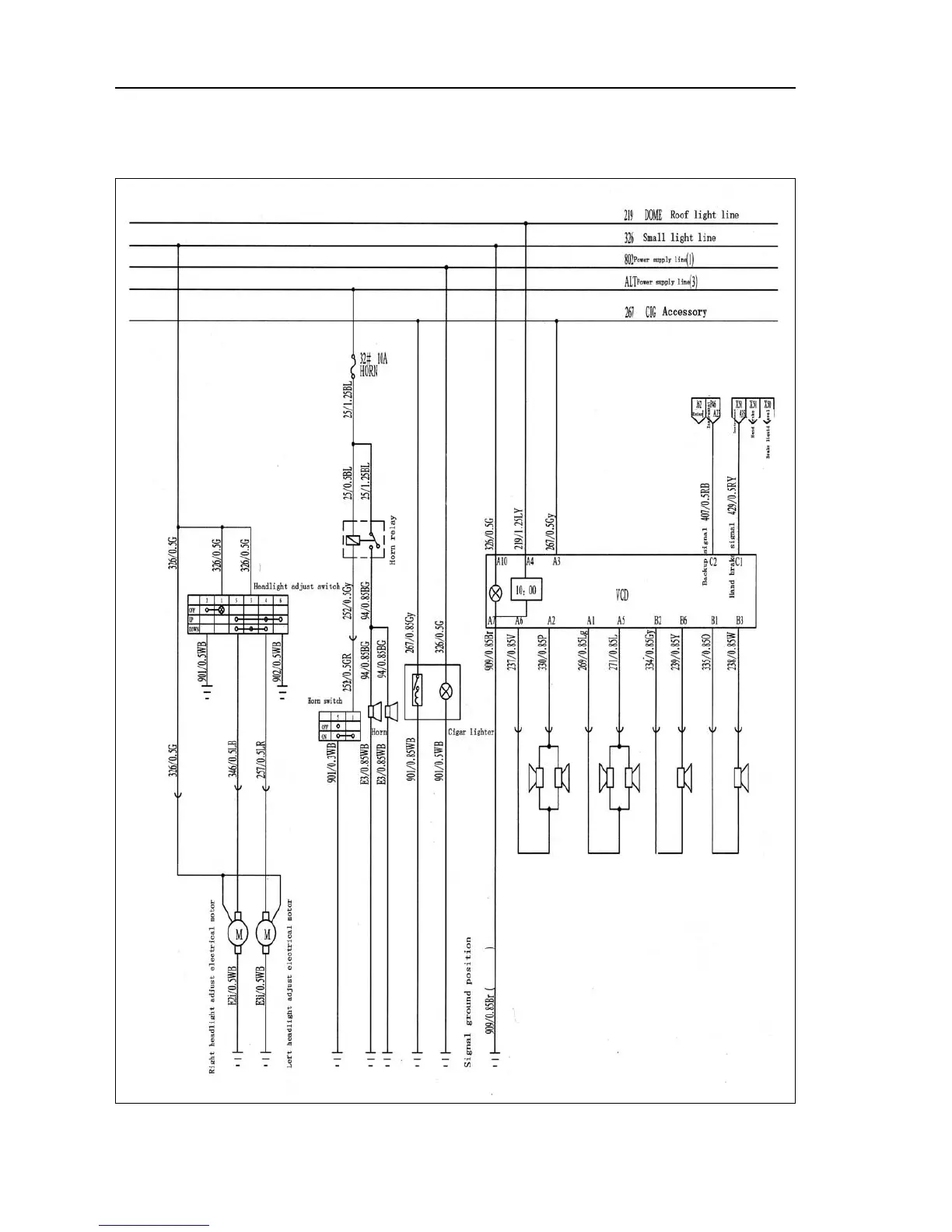
Adjustment for headlight height Speaker cigar lighter Audio system
Electrical schematic diagram--Adjustment for headlight height Speaker cigar lighter Sound system
 406 

Table of Contents

Related product manuals