EasyManua.ls Logo

Geely FC - Page 418

Geely FC
419 pages
Print Icon
To Next Page IconTo Next Page
To Next Page IconTo Next Page
To Previous Page IconTo Previous Page
To Previous Page IconTo Previous Page
Loading...
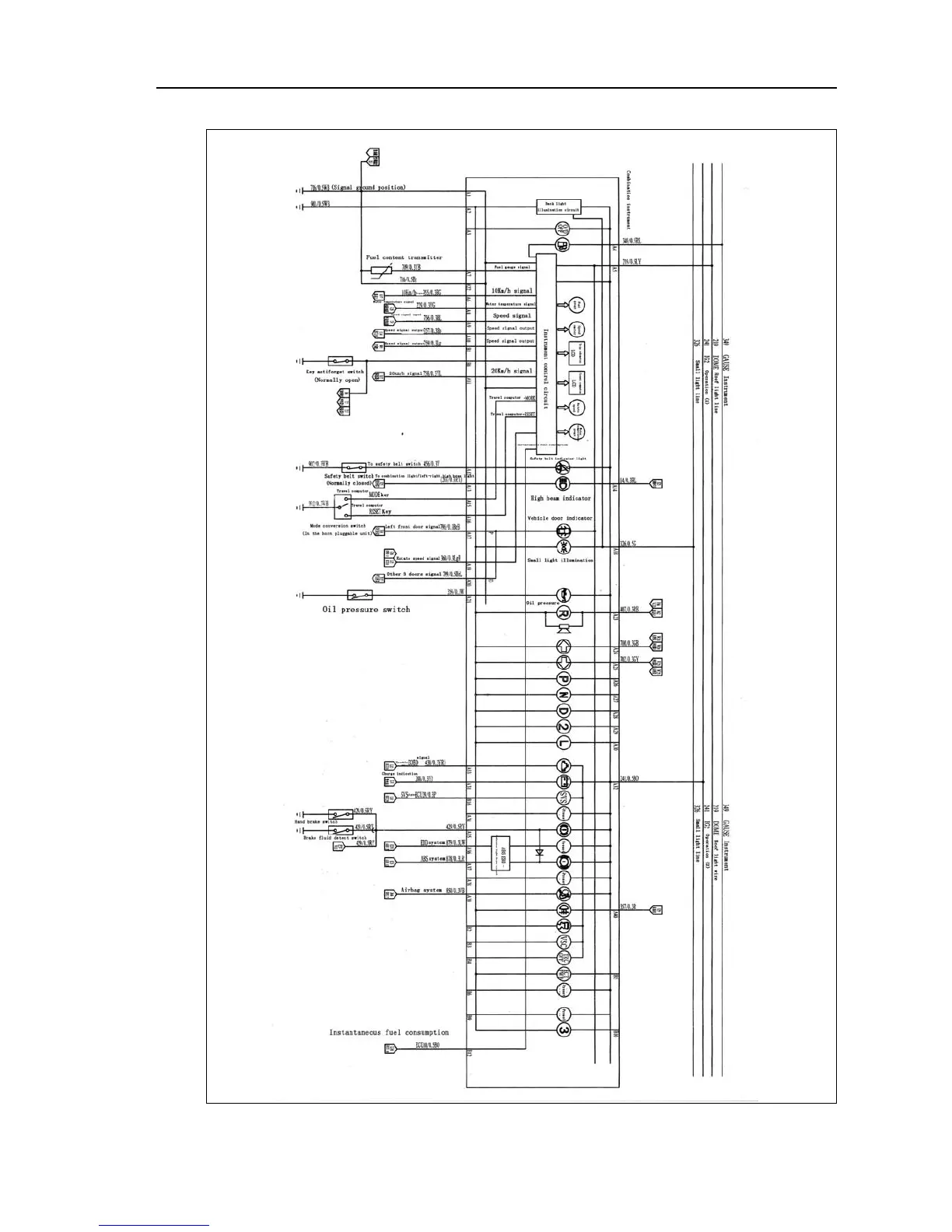
Combination instrument
Electrical schematic diagram--Combination instrument
 407 

Table of Contents

Related product manuals