EasyManua.ls Logo

Hamilton Microlab STAR - Wiring Diagram Power; Master

Hamilton Microlab STAR
284 pages
Print Icon
To Next Page IconTo Next Page
To Next Page IconTo Next Page
To Previous Page IconTo Previous Page
To Previous Page IconTo Previous Page
Loading...
Microlab
®
STAR Service Manual
8-11
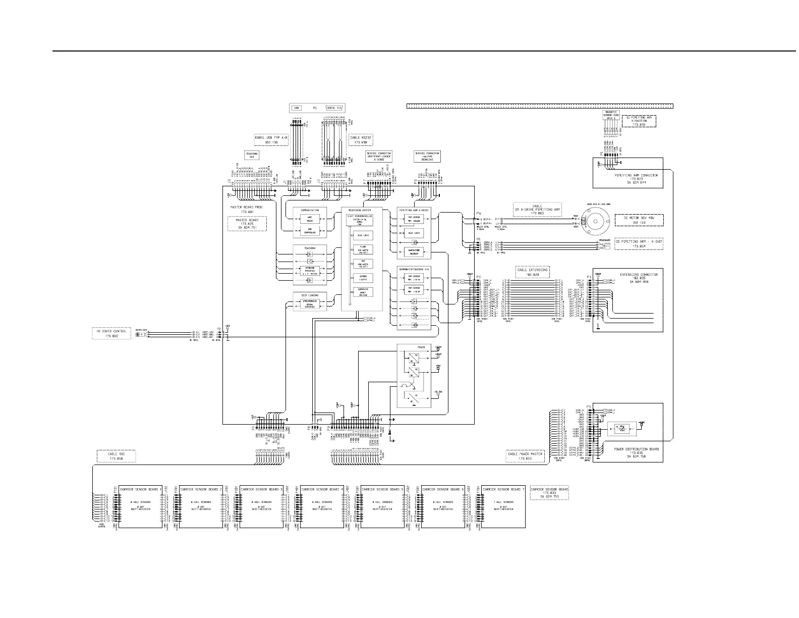
8.2.5 Wiring Diagram Power / Master

Table of Contents

Other manuals for Hamilton Microlab STAR