EasyManua.ls Logo

Invacare LiNX - Page 20

Invacare LiNX
152 pages
Print Icon
To Next Page IconTo Next Page
To Next Page IconTo Next Page
To Previous Page IconTo Previous Page
To Previous Page IconTo Previous Page
Loading...
InvacarLiNX
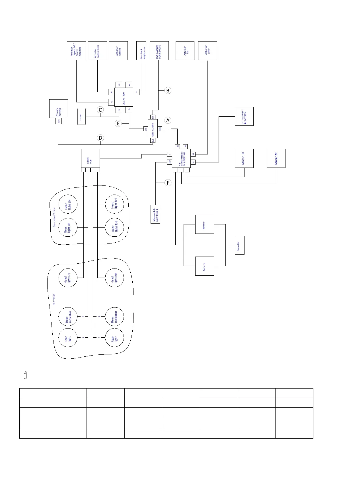
WiringforModulite:Lifter,Tilt,Recline,PoweredElevatingLegrests,Lights,DualControl,DLX-ACT400,GLM-CONX4and
USBCharger
Fig.3-2
Cablelengthmayvarydependingonmountingpositionsofprimaryremote,dualcontrolandof4–wayconnector
GLM-CONX4.
Model
A A
A
B B
B
C C
C
D D
D
E E
E
F F
F
Kite
2500mm1500mm700mm1700mm700mm700mm
SpectraXTR
2
HD,
Bora/SpectraXTRStan-
dard
1700mm1200mm700mm1500mm700mm700mm
TDXSP21500mm1000mm300mm1500mm700mm300mm
201605129-G

Table of Contents

Related product manuals