EasyManua.ls Logo

Invacare LiNX - Page 22

Invacare LiNX
152 pages
Print Icon
To Next Page IconTo Next Page
To Next Page IconTo Next Page
To Previous Page IconTo Previous Page
To Previous Page IconTo Previous Page
Loading...
InvacarLiNX
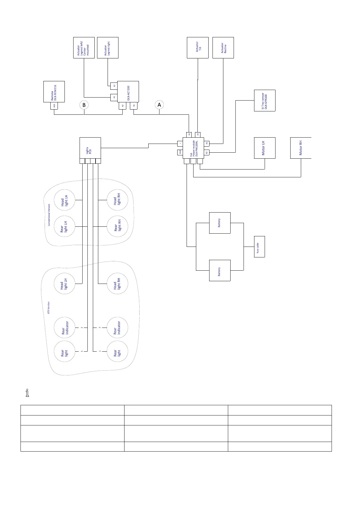
WiringforModulite:Tilt,Recline,PoweredElevatingLegrests,LightsandDLX-ACT200
Fig.3-3
Cablelengthmayvarydependingonmountingpositionsofprimaryremote.
Model
A A
A
B B
B
Kite
1500mm1500mm
SpectraXTR
2
HD,
Bora/SpectraXTRStandard
1500mm1500mm
TDXSP21700mm1000mm
22
1605129-G

Table of Contents

Related product manuals