EasyManua.ls Logo

Invacare LiNX - Page 31

Invacare LiNX
152 pages
Print Icon
To Next Page IconTo Next Page
To Next Page IconTo Next Page
To Previous Page IconTo Previous Page
To Previous Page IconTo Previous Page
Loading...
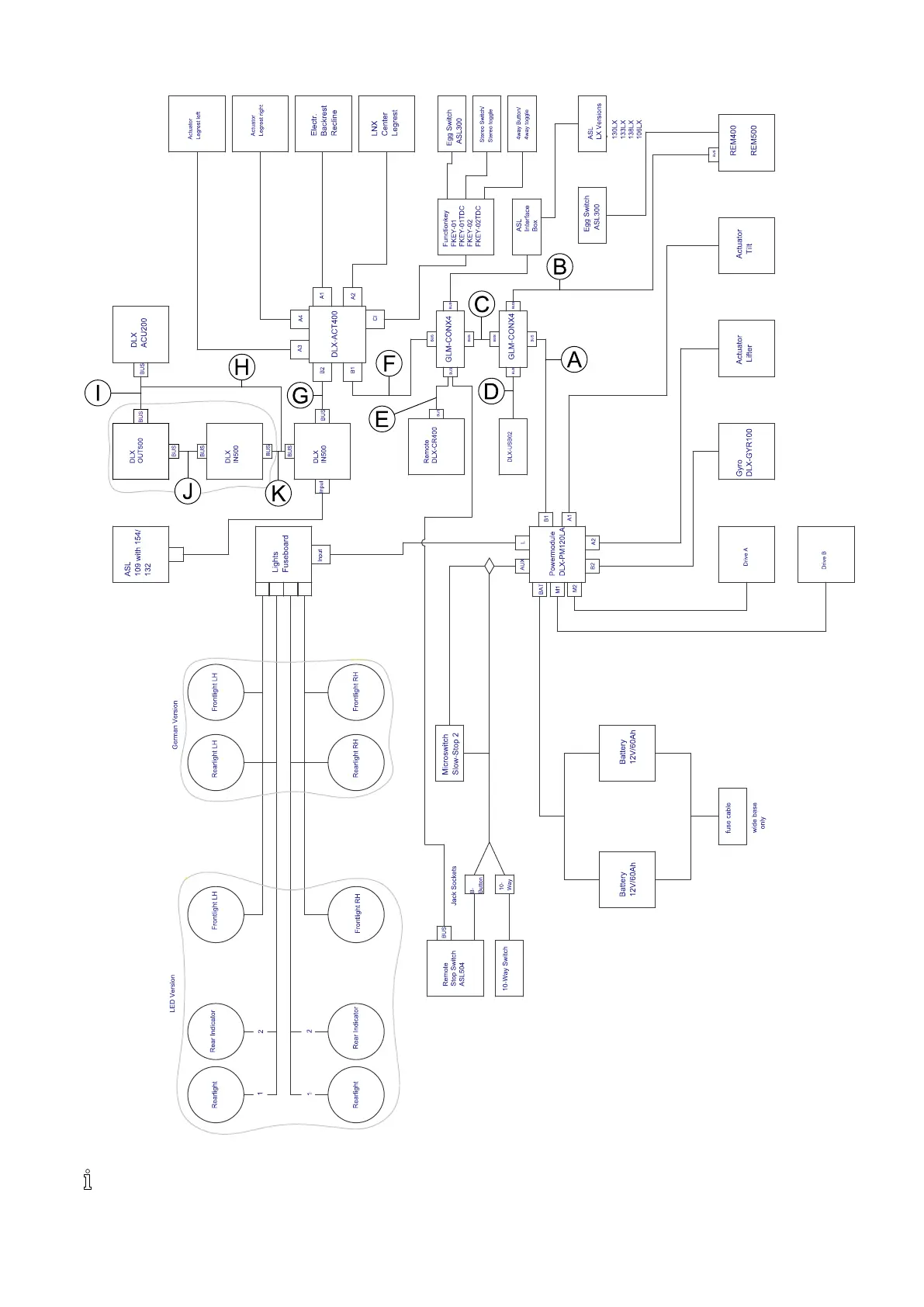
Assembly
WiringforcongurationswithUltraLowMaxxseat
Fig.3-10
Cablelengthmayvarydependingonmountingpositionsofprimaryandsecondaryremotesandof4–wayconnector
GLM-CONX4.
1605129-G31

Table of Contents

Related product manuals