EasyManua.ls Logo

MD Helicopters MD Explorer - Page 423

MD Helicopters MD Explorer
2144 pages
Print Icon
To Next Page IconTo Next Page
To Next Page IconTo Next Page
To Previous Page IconTo Previous Page
To Previous Page IconTo Previous Page
Loading...
CSP900RMM2MD Helicopters, Inc.
Rotorcraft Maintenance Manual
Page 103
Original
21-40-00
P520J520
FLOW CONTROL SHUTOFF
VALVE
J1
P171
J4P104
J2P102
E
IIDS
GS102-K
J3 P170
E
GS104-C
P128J2
CIRCUIT BREAKER PANEL
J1 P117
J6P172
FWD INTERCONNECT PANEL
UTILITY CONTROL PANEL
TB4-5
TB2-1
L
M
KJ
S
R
N
P
A
D
C
B 92
19
34
HEAT/DEFOG INSTALLED
D
C
TB302-2
F
E
D
C
B
A
S2
5
2
OVRD
OFF
K
J
B
13
722
BLD AIR
HEAT
ZJ
HEAT ON/OFF
(BLUE WIRE)
(WHITE WIRE)
OFF
ON
CAB HEAT
SWITCH
28VDC
A699
A2
A612
A606
A601 900 CONFIG
CB12
5A
W122
W124
W123
W311W124
9G21023B
6
4
3
1
P128J2
CIRCUIT BREAKER PANEL
13
BLD AIR
HEAT
R. DC BUS
A601 902 CONFIG
CB36
5A
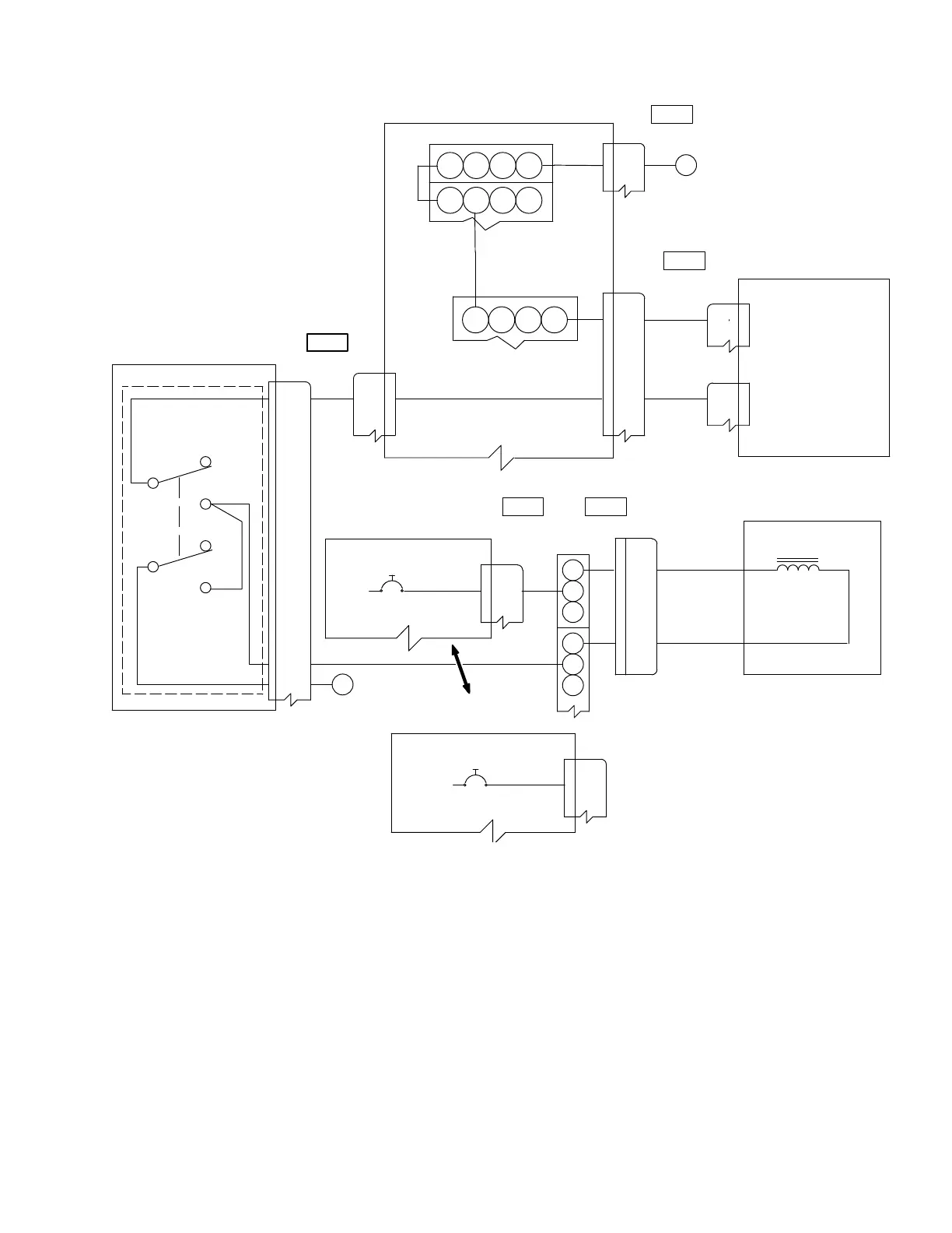
Figure 101. Heat / Defog System Wiring Diagram

Table of Contents

Related product manuals