EasyManua.ls Logo

MD Helicopters MD Explorer - Page 482

MD Helicopters MD Explorer
2144 pages
Print Icon
To Next Page IconTo Next Page
To Next Page IconTo Next Page
To Previous Page IconTo Previous Page
To Previous Page IconTo Previous Page
Loading...
CSP900RMM2 MD Helicopters, Inc.
Rotorcraft Maintenance Manual
Page 408
Revision 34
21-50-00
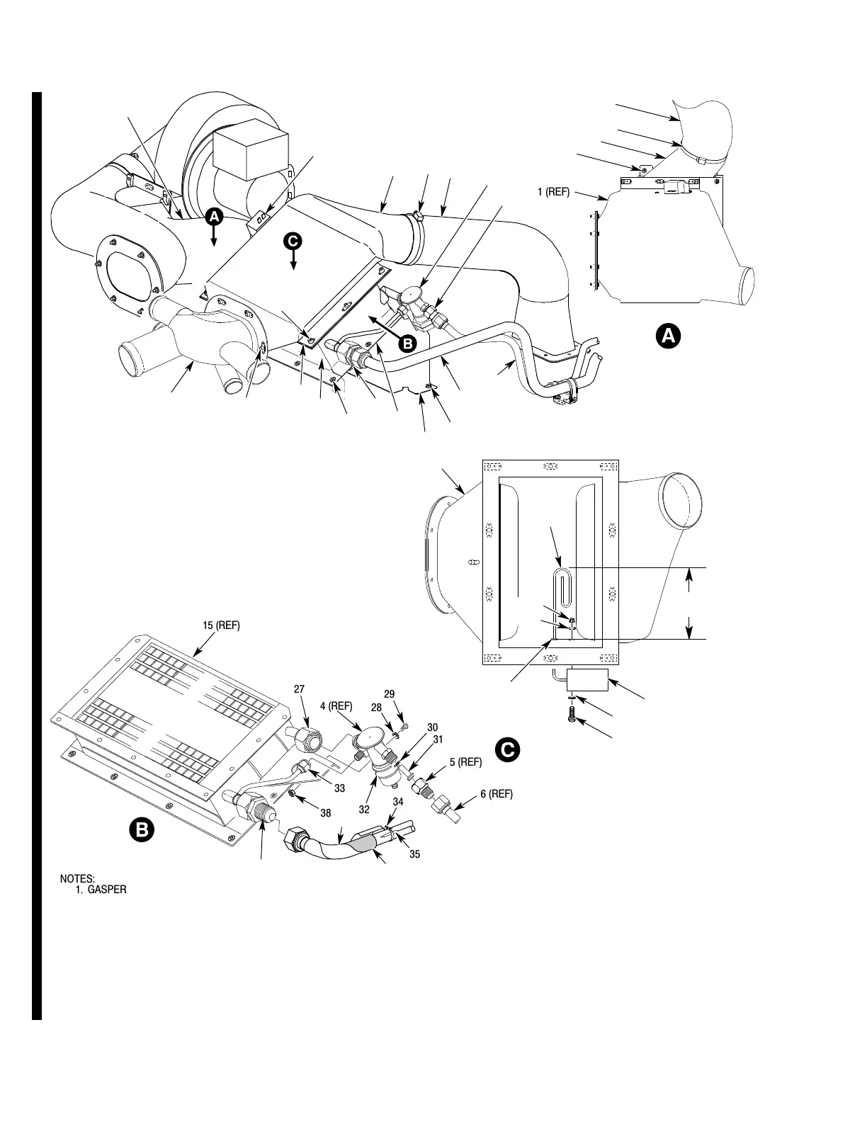
36
37
11
17 (6 PL)
18 (6 PL)
19 (6 PL)
(NOTE 2)
16
15
20 (NOTE 1)
23 (10 PL)
24 (10 PL)
21
22
1
2
3
5
6
9G21051
4
13 (10 PL)
14 (10 PL)
12
7
8 (3 PL)
9 (3 PL)
10
25
21 (REF)
26
VIEW ROTATED
8 (REF)
9 (REF)
ÉÉÉ
ÉÉÉ
ÉÉÉ
ÉÉÉ
ÉÉÉ
ÉÉÉ
ÉÉ
ÉÉ
ÉÉÉ
ÉÉÉ
ÉÉÉ
ÉÉÉ
ÉÉÉ
ÉÉÉ
ÉÉÉ
ÉÉÉ
ÉÉÉ
ÉÉÉ
ÉÉÉ
ÉÉÉ
ÉÉÉ
ÉÉÉ
ÉÉÉ
ÉÉÉ
6 (REF)
31
30
4 (REF)
27
32
29
28
38
33
5 (REF)
15 (REF)
1 (REF)
34
35
NOTES:
1. GASPER PLENUM SHOWN FOR ROTORCRAFT SERIAL NUMBER 900-00039 AND SUBSEQUENT OR
EARLIER SERIAL NUMBERS THAT HAVE COMPLETED SL900-035.
2. NUTS ARE INSTALLED ON ROTORCRAFT SERIAL NUMBER 900-00010 AND 900-00011 ONLY.
3. INSTALL TEMPERATURE PROBE APPROXIMATELY AS SHOWN. PROBE MUST BE 0.0 TO 0.2 INCH (0 TO 5 MM)
BELOW THE MATING SURFACE OF THE EVAPORATOR.
VIEW ROTATED
LOOKING UP
1 (REF)
NOTE 3
4.20-4.80 INCH
(103.7-121.9 MM)
40 (2 PL)
41 (2 PL)
39 (2 PL)
40 (2 PL)
22 (REF)
42
12 (REF)
Figure 404. Removal and Installation of the Evaporator (EARLY CONFIG)

Table of Contents

Related product manuals