EasyManua.ls Logo

MD Helicopters MD Explorer - Page 487

MD Helicopters MD Explorer
2144 pages
Print Icon
To Next Page IconTo Next Page
To Next Page IconTo Next Page
To Previous Page IconTo Previous Page
To Previous Page IconTo Previous Page
Loading...
CSP900RMM2MD Helicopters, Inc.
Rotorcraft Maintenance Manual
Page 413
Revision 34
21-50-00
35
36
9G21050
19
3
4
5
24
25
1
8
9
6 (4 PL)
7 (4 PL)
10 (10 PL)
11 (10 PL)
20 (10 PL)
21 (10 PL)
ÉÉÉ
ÉÉÉ
ÉÉÉ
ÉÉÉ
ÉÉ
ÉÉ
ÉÉÉ
ÉÉÉ
ÉÉÉ
ÉÉÉ
ÉÉÉ
ÉÉÉ
ÉÉÉ
ÉÉÉ
ÉÉÉ
ÉÉÉ
ÉÉÉ
ÉÉÉ
ÉÉÉ
ÉÉÉ
ÉÉÉ
ÉÉÉ
ÉÉÉ
ÉÉÉ
ÉÉÉ
24 (REF)
30
29
4 (REF)
26
31
28
27
37
32
5 (REF)
12
12 (REF)
2
18
22
14 (6 PL)
15 (6 PL)
33
34
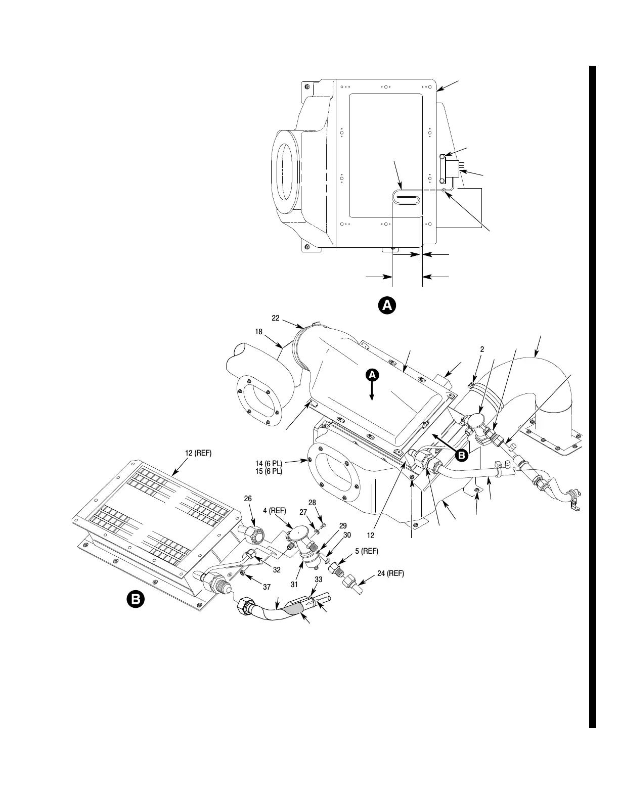
NOTES:
1. GASPER PLENUM SHOWN FOR HELICOPTER SERIAL NUMBER 900-00039 AND SUBSEQUENT OR
EARLIER SERIAL NUMBERS THAT HAVE COMPLETED SL900-035.
2. NUTS ARE INSTALLED ON HELICOPTER SERIAL NUMBER 900-00010 AND 900-00011 ONLY.
3. INSTALL TEMPERATURE PROBE APPROXIMATELY AS SHOWN. PROBE MUST BE 0.0 TO 0.2 INCH (0 TO 5.0 MM) BELOW
THE MATING SURFACE OF THE EVAPORATOR.
0.22-0.28 INCH
(5.6-7.1 MM)
2.68-2.74 INCH
(68.1-69.6 MM)
1 (REF)
19
38 (2 PL)
39 (4 PL)
40 (2 PL)
NOTE 3
VIEW ROTATED
LOOKING DOWN
41
13
23
Figure 405. Removal and Installation of the Evaporator (CURRENT CONFIG.)

Table of Contents

Related product manuals