EasyManua.ls Logo

RayTek CS210 - System Connection Box Wiring

RayTek CS210
133 pages
Print Icon
To Next Page IconTo Next Page
To Next Page IconTo Next Page
To Previous Page IconTo Previous Page
To Previous Page IconTo Previous Page
Loading...
Drawings
CS210 Rev. B4 Feb 2015 117
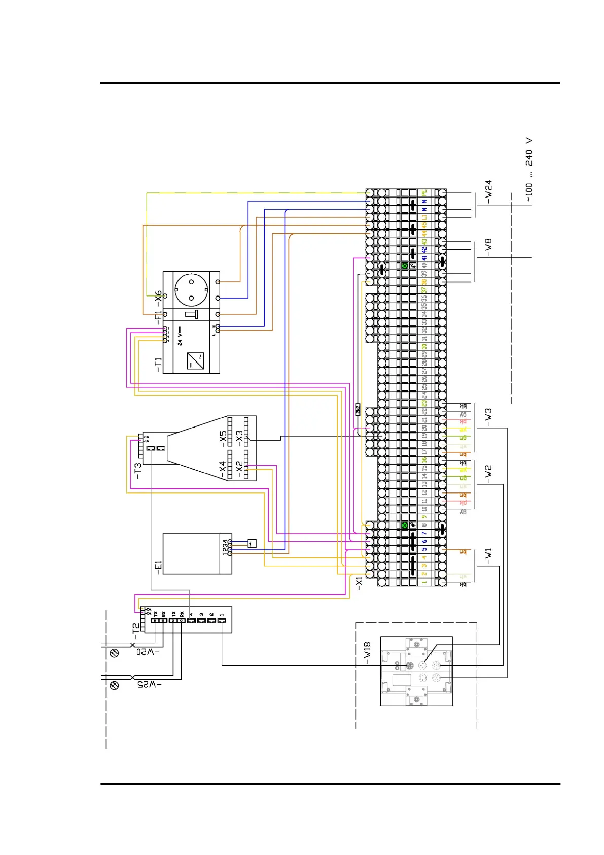
13.4 System Connection Box Wiring

Table of Contents

Related product manuals