EasyManua.ls Logo

RayTek CS210 - Burning Zone Monitoring

RayTek CS210
133 pages
Print Icon
To Next Page IconTo Next Page
To Next Page IconTo Next Page
To Previous Page IconTo Previous Page
To Previous Page IconTo Previous Page
Loading...
Accessories
92 Rev. B4 Feb 2015 CS210
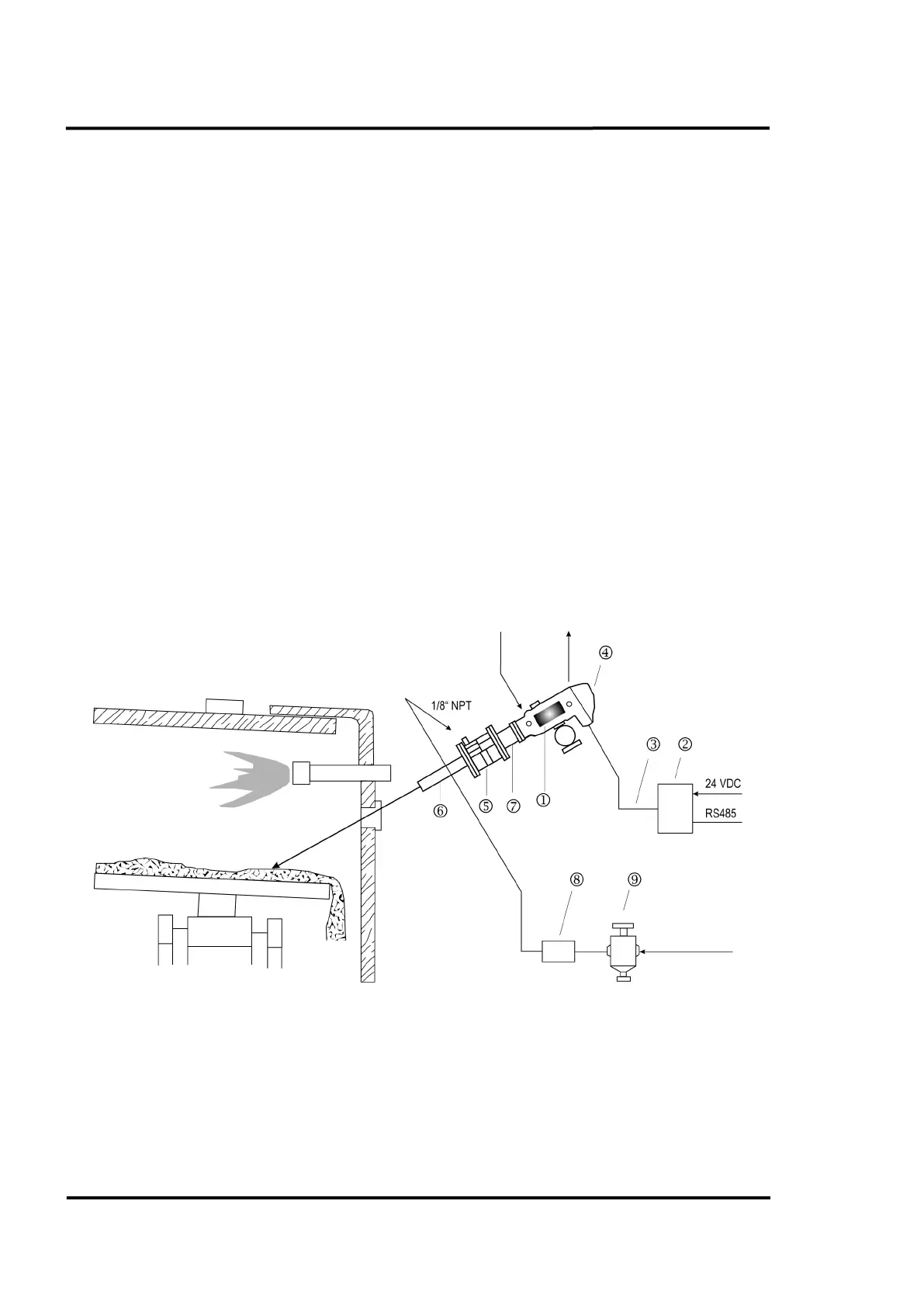
10.7 Burning Zone Monitoring
With Burning Zone Monitoring (XXXTCS200BZ) a two-color point sensor (MR ratio pyrometer) can be
installed looking into the burn zone of the kiln to monitor the temperatures in this very important
area. The two-color unit will essentially “see” through the smoke and other by-products of
combustion and the temperature reading will be displayed on the main screen.
For an overview of a system configured with Burning Zone Monitoring, see section 13.2 CS212
Installation with Accessories, page 115.
Delivery:
MR ratio pyrometer, type: MR1SB
MR connection box
High temperature cable, 15 m
ThermoJacket for MR pyrometer, with adjustable mounting bracket
Blast gate assembly with quartz window
Sighting tube, 30 cm length, stainless steel
Adjustable pipe adapter assembly
Air flow regulator
Air pressure regulator
Figure 90: Installing the Burning Zone Pyrometer
Air
IN OUT
Water
¼”
NPT

Table of Contents

Related product manuals