EasyManua.ls Logo

Ricoh B039 - Page 493

Ricoh B039
513 pages
Print Icon
To Next Page IconTo Next Page
To Next Page IconTo Next Page
To Previous Page IconTo Previous Page
To Previous Page IconTo Previous Page
Loading...
PCBS
B040 6-2 SM
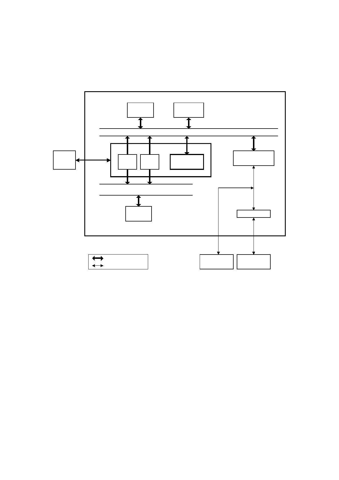
6.2 PCBS
6.2.1 FCU
The FCU (Facsimile Control Unit) controls fax communications, the video interface
to the base copier’s engine, and all the fax options.
FACE2
CPU
Data compression and reconstruction (DCR)
DMA control
Clock generation
DRAM backup control
Ringing signal/tone detection
Video and command interface to the BiCU (VIF)
Modem (Rockwell R288F)
V.34, V33, V17, V.29, V.27ter, V.21, and V.8
FCU
CPU (RU30)
DRAM
(8MB)
V.34 MODEM
DMA BUS
Bus Interface
Parallel Interface
Analog Circuit
NCU
Monitor
Speaker
BiCU
CPU BUS
VIF
Flash ROM
(3MB)
SRAM
(128kB)
DCR
FACE2
B404D535.WMF

Table of Contents

Related product manuals