EasyManua.ls Logo

Ricoh B039 - Overall Machine Control

Ricoh B039
513 pages
Print Icon
To Next Page IconTo Next Page
To Next Page IconTo Next Page
To Previous Page IconTo Previous Page
To Previous Page IconTo Previous Page
Loading...
SPECIFICATIONS
B404 7-6 SM
3. OVERALL MACHINE CONTROL
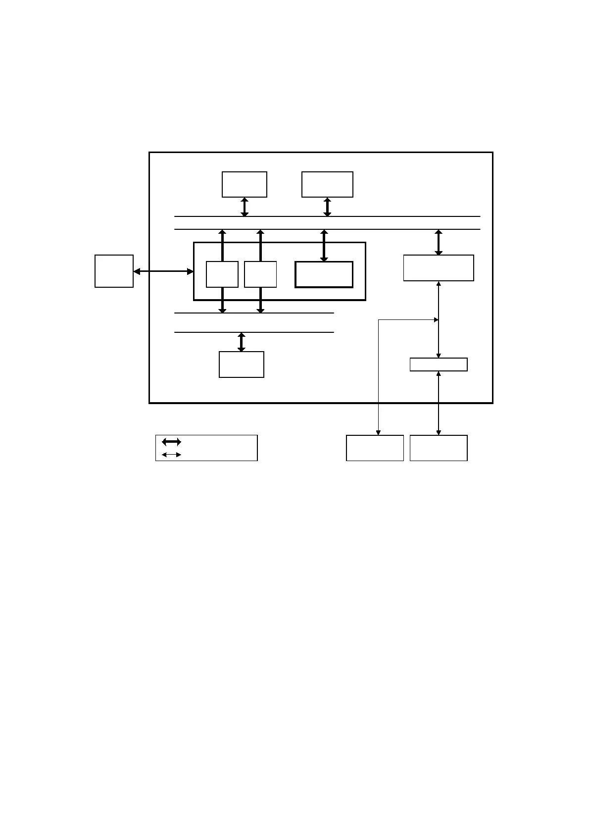
3.1 SYSTEM CONTROL
The basic fax unit consists of two PCBs: an FCU and an NCU.
The FCU controls all the fax communications and fax features, in cooperation with
the base copier's main board, the BiCU. The NCU switches the analog line
between the fax unit and the external telephone.
3.2 POWER DISTRIBUTION
The FCU power is supplied from the PSU directly (+5V, -12V, +24V).
3.3 MEMORY BACK-UP
The system parameters and programmed items in the SRAM on the FCU is backed
up by batteries (long-term backup), in case the base copier's main switch is turned
off.
The SAF memory (DRAM) on the FCU is backed up by rechargeable batteries for 1
hour.
FCU
CPU (RU30)
DRAM
(8MB)
V.34 MODEM
DMA BUS
Bus Interface
Parallel Interface
Analog Circuit
NCU
Monitor
Speaker
BiCU
CPU BUS
VIF
Flash ROM
(3MB)
SRAM
(128kB)
DCR
FACE2
B404V500.WMF

Table of Contents

Related product manuals