EasyManua.ls Logo

Siemens SIMATIC ET 200X - Basic Circuit Diagram for the BM 141 DI 8 DC 24 V ECOFAST Basic Module (6 ES7 141-1 BF01-0 AB0)

Siemens SIMATIC ET 200X
362 pages
Print Icon
To Next Page IconTo Next Page
To Next Page IconTo Next Page
To Previous Page IconTo Previous Page
To Previous Page IconTo Previous Page
Loading...
Technical Specifications
7-9
ET 200X Distributed I/O Device
EWA 4NEB 780601602-06
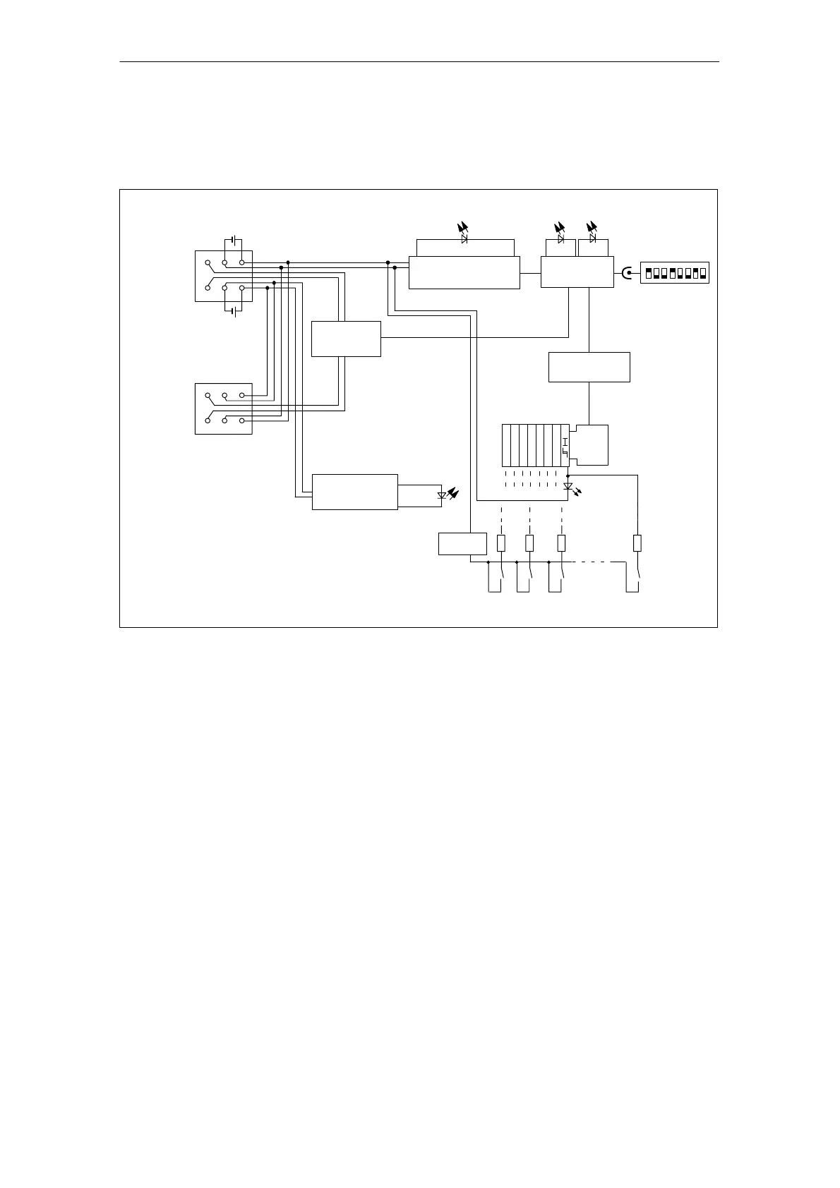
Basic circuit diagram
The basic circuit diagram of the basic module is show below.
DC 24 V-NS
PROFIBUS
address
Electronic
components
Internal power
supply
DC 24 V-NS RUN
A
DC 24 V-S
Load voltage
monitor
SF
RS 485
interface
B
DC 24 V-S
521
634
B
A
634
521
DESINA
connector
Backplane bus
interface
So. X1
So. X8
So. X3
So. X2
X01
X02
Socket connections
(see Table 7-3)
Short-circuit
protection
Figure 7-2 Basic circuit diagram for the BM 141 DI 8DC 24V ECOFAST basic module
(6ES7 141-1BF01-0AB0)

Table of Contents