EasyManua.ls Logo

Siemens SIMATIC ET 200X - Potentials Present in an ET 200 X-DESINA Configuration

Siemens SIMATIC ET 200X
362 pages
Print Icon
To Next Page IconTo Next Page
To Next Page IconTo Next Page
To Previous Page IconTo Previous Page
To Previous Page IconTo Previous Page
Loading...
Wiring
4-8
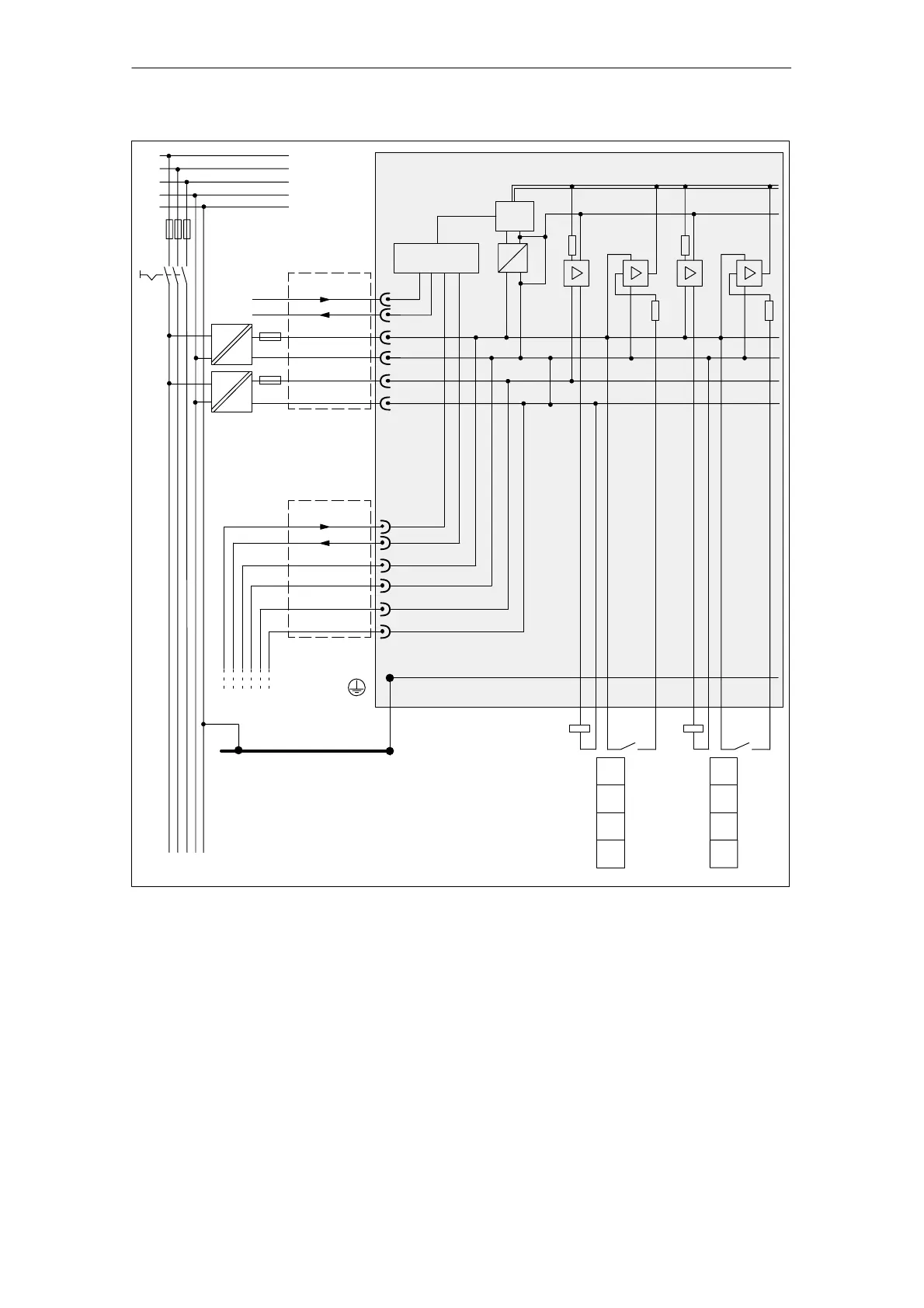
ET 200X Distributed I/O Device
EWA 4NEB 780601602-06
BM 143-DESINA FO or BM 143-DESINA RS485
Ground bus
Interface
Data
L1
L2
L3
N
PE
mP
Feed
DESINA
connection
AC
DC
A
B
DC 24 V-NS
M-NS
AC
DC
DC 24 V-S
M-S
Loop through
DESINA
connection
A
B
DC 24 V-NS
M-NS
DC 24 V-S
M-S
X1
X3
X5
X7
X2
X4
X6
X8
Figure 4-4 Potentials present in an ET 200X-DESINA configuration

Table of Contents

Related product manuals