EasyManua.ls Logo

Siemens SIMATIC ET 200X - Potentials Present in an ET 200 X-ECOFAST Configuration

Siemens SIMATIC ET 200X
362 pages
Print Icon
To Next Page IconTo Next Page
To Next Page IconTo Next Page
To Previous Page IconTo Previous Page
To Previous Page IconTo Previous Page
Loading...
Wiring
4-9
ET 200X Distributed I/O Device
EWA 4NEB 780601602-06
BM 141-ECOFAST
Ground bus
RS 485
interface
Data
L1
L2
L3
N
PE
mP
Feed
DESINA
connection
AC
DC
A
B
DC 24 V-NS
M-NS
AC
DC
DC 24 V-S
M-S
Loop through
DESINA
connection
A
B
DC 24 V-NS
M-NS
DC 24 V-S
M-S
X1
X3
X5
X7
X2
X4
X6
X8
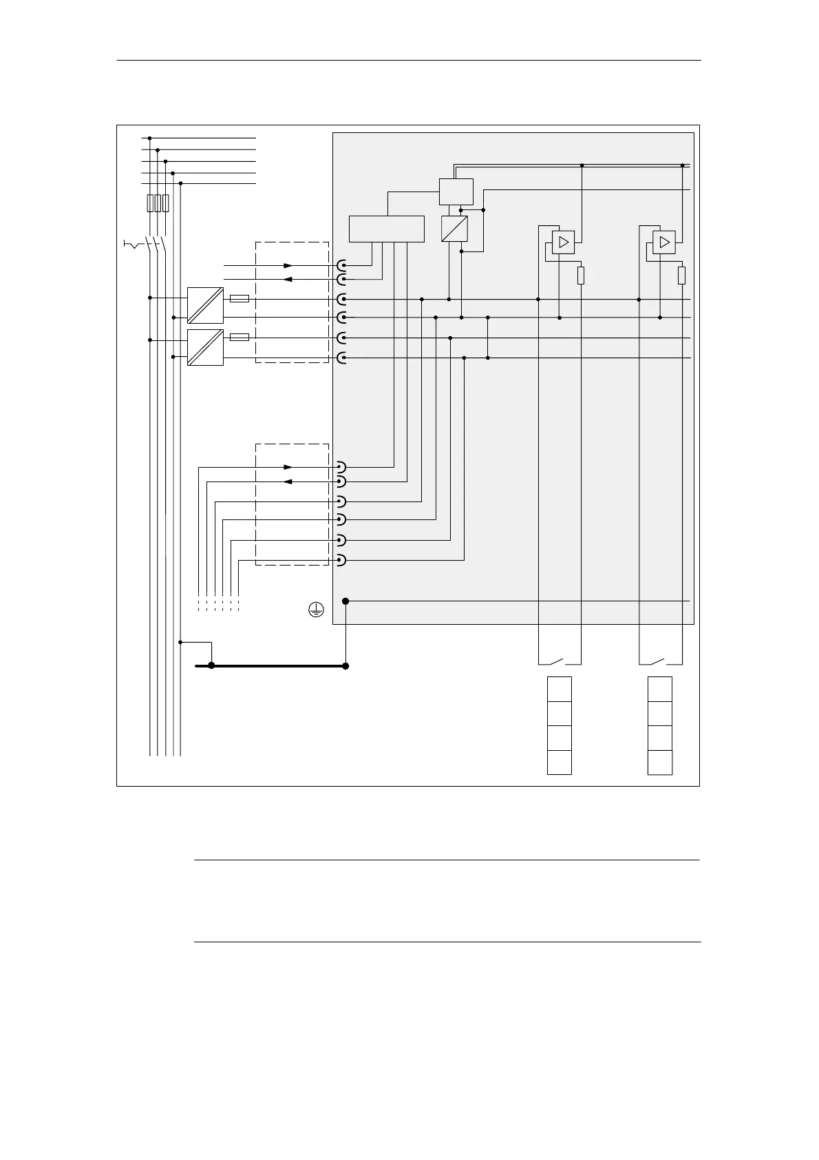
Figure 4-5 Potentials present in an ET 200X-ECOFAST configuration
Note
In the case of the ET 200X-DESINA/ET 200X-ECOFAST distributed I/O device,
the frame potentials of the switched and non-switched load voltage are connected
to each other.

Table of Contents

Related product manuals