EasyManua.ls Logo

Siemens SIMATIC ET 200X - Potentials Present in an ET 200 X Configuration with Frequency Converter

Siemens SIMATIC ET 200X
362 pages
Print Icon
To Next Page IconTo Next Page
To Next Page IconTo Next Page
To Previous Page IconTo Previous Page
To Previous Page IconTo Previous Page
Loading...
Wiring
4-7
ET 200X Distributed I/O Device
EWA 4NEB 780601602-06
1L+
1M
BM
2M
2L+
EM DO
Ground bus
Actuator
1M
Data
EM DI EM 148-FC
L1
L2
L3
N
PE
AC
DC
AC
DC
M
3
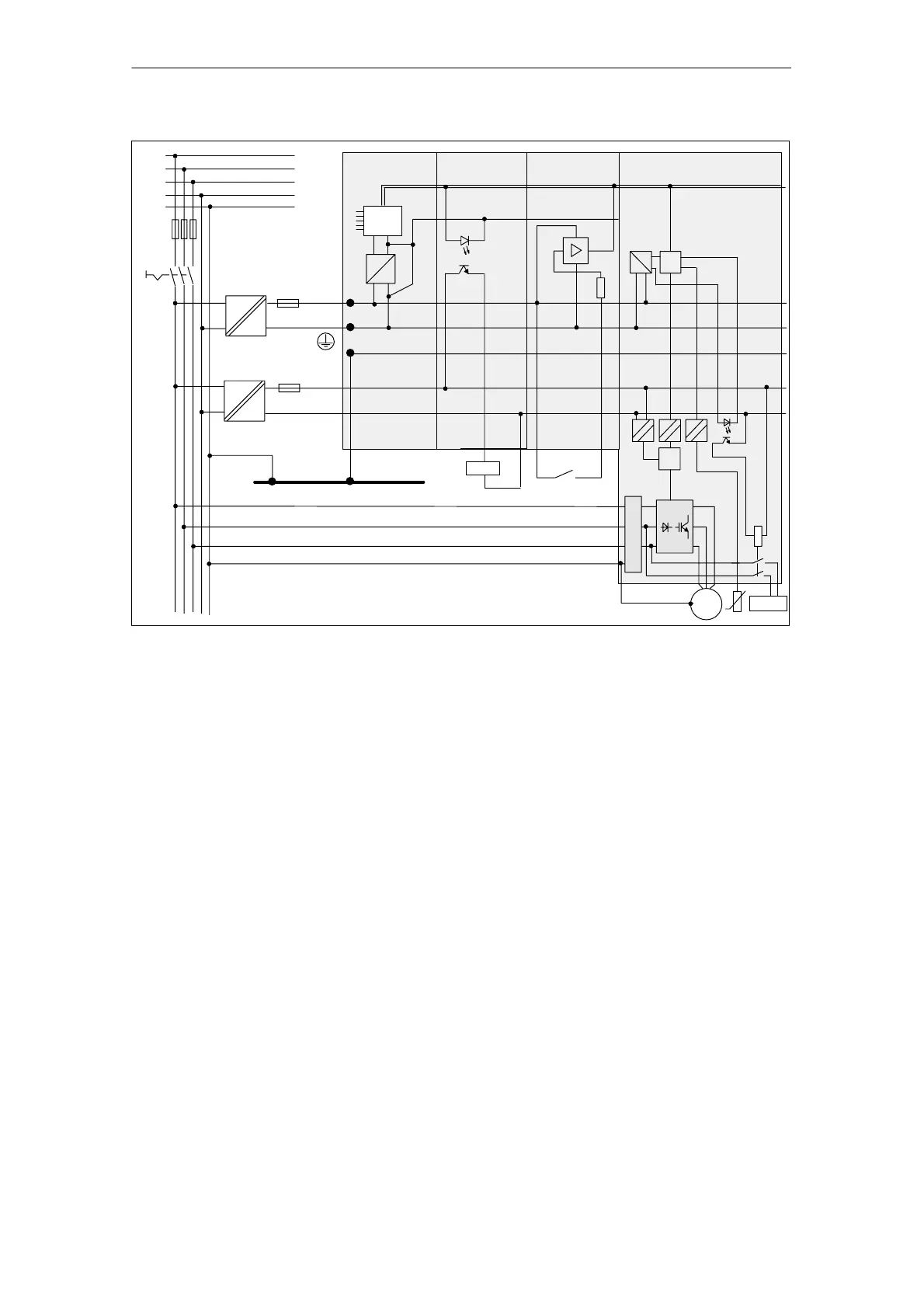
Note: The potentials of the analog modules EM AI and EM AO
correspond to those of the EM DI expansion modules.
mP
mC
Brake
Filter
mC
Figure 4-3 Potentials present in an ET 200X configuration with frequency converter

Table of Contents

Related product manuals