EasyManua.ls Logo

SLE SLE5000 - 29 Pneumatic Unit Schematic

SLE SLE5000
292 pages
Print Icon
To Next Page IconTo Next Page
To Next Page IconTo Next Page
To Previous Page IconTo Previous Page
To Previous Page IconTo Previous Page
Loading...
Page 273 of 292
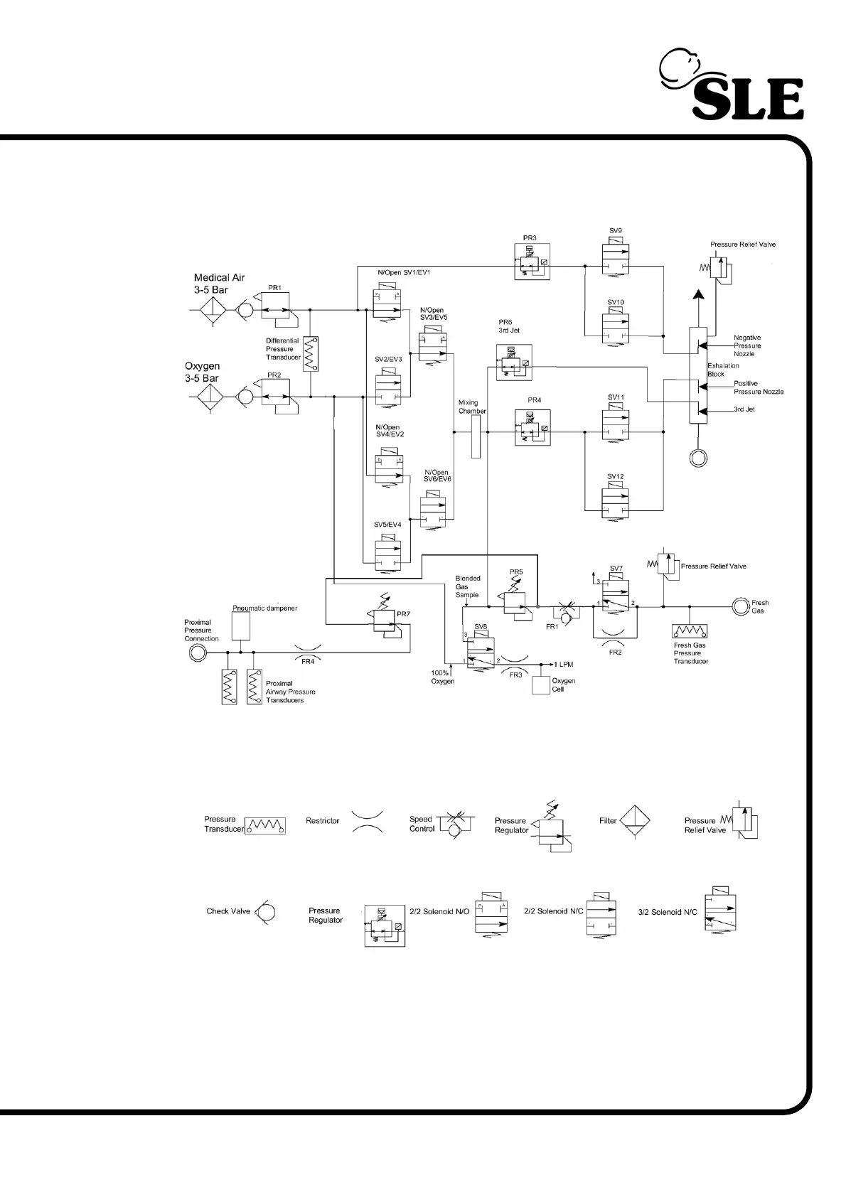
29. Pneumatic Unit Schematic
Below is a schematic representation of the pneumatic unit of the ventilator.
Legend

Table of Contents

Related product manuals