EasyManua.ls Logo

Volvo XC70 2012 - Running;Parking Light, Tail Lights S80

Volvo XC70 2012
364 pages
Print Icon
To Next Page IconTo Next Page
To Next Page IconTo Next Page
To Previous Page IconTo Previous Page
To Previous Page IconTo Previous Page
Loading...
TP 39217202 XC70(08-) & S80(07-) 2012 100
LIN
C1:31
C1:30
30+
1
CEM
4/56
2
11A/1
2
11A/2
C2:47
1
1
2
11B/23
15/31
C2:49
RD-BK
RD-BU
BK
BK
BK
RHD RHD
LHD
M
+
-
L
LOW
HIGH
POS
TURN
M
+
-
L
LOW
HIGH
POS
TURN
10/1
10/2
10
1
1
10
10/12
10/11
3
5
C5:2
C5:1
C1:18
C1:15
C3:49
31/8331/9331/9431/47
GN-OG
GY-RD
YE-BK
VT-GN
CAN
10/3
2
1
4
74/601
1
74/601
73/5105
73/5038
BK-OG
BK-OG
BK-OG
BK BU-BK
BK YE-VT
C2:48
73/3033
73/4017
73/4016
73/3035
BK-OG
BK
BK-VT
BK-OG
BK-VT
5
3
31/48
73/5033
BK-BU
BK-BU
1
6
5
LIN
RD-BK
RD-BK
GN-VT
3/111
74/411
12
LSM
CAN
C1:6
C1:2
5/1
DIM
3/35
I06045
31/69
73/5131
BK-OG
BK-OG
10/18
REV
GND
FOGSTOPTURN
POS
10/17
REV
GND
FOG STOP TURN
POS
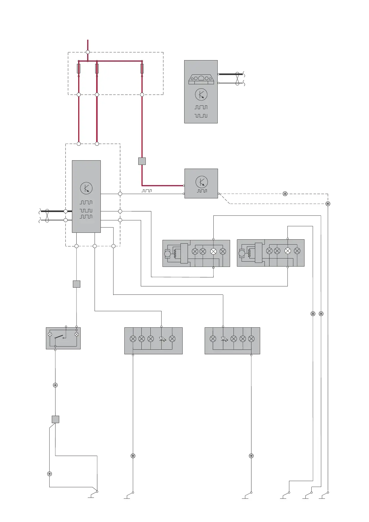
Group 35 Lighting
Running/Parking light, Tail lights S80

Table of Contents

Other manuals for Volvo XC70 2012

Related product manuals