EasyManua.ls Logo

Volvo XC70 2012 - Group 43 Transmission; Transmission M66 & MMT 6

Volvo XC70 2012
364 pages
Print Icon
To Next Page IconTo Next Page
To Next Page IconTo Next Page
To Previous Page IconTo Previous Page
To Previous Page IconTo Previous Page
Loading...
TP 39217202 XC70(08-) & S80(07-) 2012 162
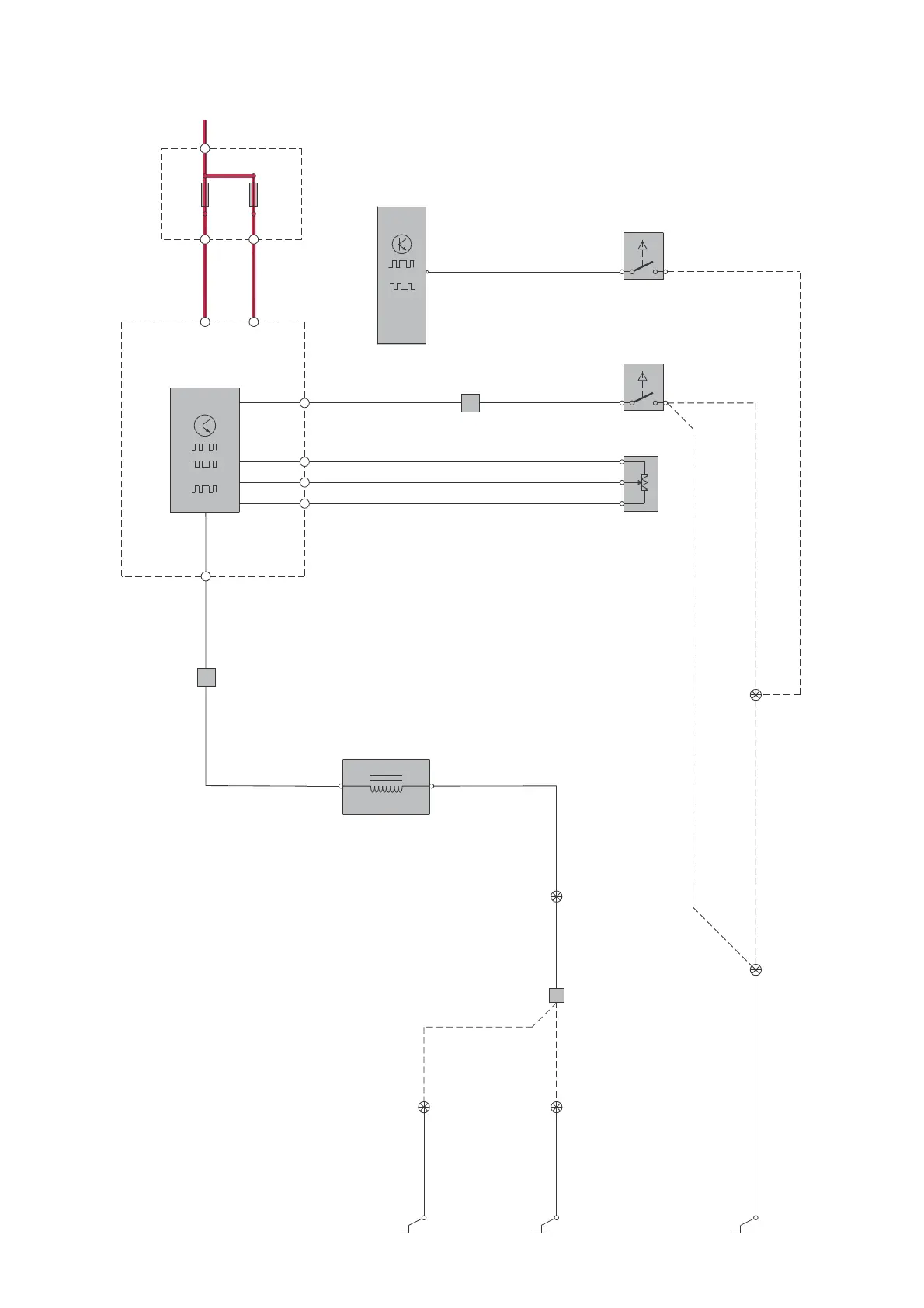
11A/1
2
1
30+
CAN
CEM
4/56
74/301
8/134
31/631/15 31/XX10
LIN
RD-BK
11A/2
2
1
RD-BU
15/31
1
BK-VT
2
BK-VT
BK-VT
BK-VT
BK-YE
BK-YE
BK-YE
BK-GNBK-GN
RHD
LHD
WH-BN
WH-BN
C3:38
C5:1 C5:2
73/5026
73/3133
73/5035
73/3094
73/5023
3
2
1
2
Au
Au
Au
Au
Au
Au
Au
1
7/123
GN
BU BU
BN-GN
WH-VT
C1:16
C1:34
C1:52
C1:29
3/10
2
1
12
74/502
2
74/403
20
B:26
ECM
I5D
CAN
4/46
I5D
3/282
GY-VT
BK-YE
Ag
BK-YE
5-Cyl MAN5-Cyl MAN
4-Cyl MAN
G042210
Group 43 Transmission
Transmission M66 & MMT 6

Table of Contents

Other manuals for Volvo XC70 2012

Related product manuals