EasyManua.ls Logo

Volvo XC70 2012 - Data Communication Intermediate Speed CAN, RHD

Volvo XC70 2012
364 pages
Print Icon
To Next Page IconTo Next Page
To Next Page IconTo Next Page
To Previous Page IconTo Previous Page
To Previous Page IconTo Previous Page
Loading...
TP 39217202 XC70(08-) & S80(07-) 2012 52
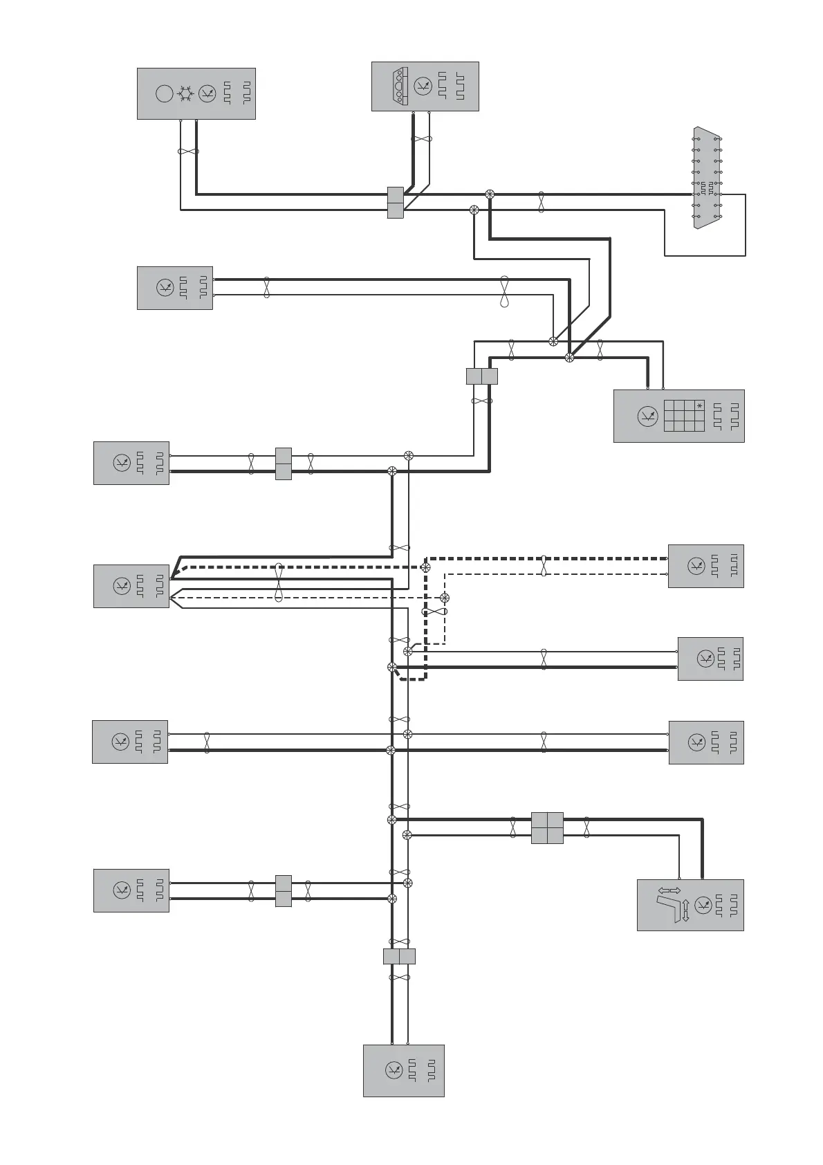
CEM
CAN
4/56
C1:31
C2:3
C2:4
VT
-OG
GY
-OG
VT-OG
GY-OG
57
C1:30
56
73/5009
74/504
VT
-OG
VT-OG
VT-OGAu
Au
Au
Au
Au
Au
Au
Au
GY-OG
73/5010
73/5012
73/5002
73/5005
73/5006
73/5001
VT-OG
GY-OG
BU-RD
GY-RD
GY-OG
VT-OG
GY-OG
VT-OG
GY-OG
C1:7
C1:14
PAM
CAN
4/86
C2:3
C2:15
DDM
CAN
3/126
C2:2
C2:1
TRM
CAN
4/110
VT-OG
GY-OG
C4:4
C4:3
KVM
CAN
4/93
1 2
74/507
VT-OG
GY-OG
VT-OG
GY-OG
C2:3
C2:15
PDM
CAN
3/127
1 2
PSM
4/52
CAN
74/30
C1:27
C1:28
Au
Au
VT-OG
GY-OG
SRS
CAN
4/9
11 12
1 2
73/5011
73/5004
73/5003
VT-OG
VT-OG
GY-OG GY-OG
GY
-OG
GY-OG
VT-OG
VT-OG
VT-OG
GY-OG
V70
73/5085
73/5084
VT-OG
GY-OG
C1:12
C1:5
POT
CAN
4/116
V70
V70
V70
V70
V70
GY-OG
I06017
73/4034
73/4035
73/4001
C1:12
C1:11
VT-OG
VT-OG
GY-OG
GY-OG
VT-OG
GY-OG
VT
-OG
GY
-OG
VT-OG
GY-OG
C1:9
C1:10
C1:6
C1:2
11
17/13
CAN
3
19
20
74/409
CAN
16/60
PHM
#
7
0
8
1
45
2
9
6
3
73/4002
VT-OG
GY-OG
VT-OG
GY-OG
C1:2
C1:3
CAN
5/1
DIM
4/6
C°/F°
CCM
CAN
ICM
CAN
3/281
74/401
10 9
Control modules
Data communication intermediate speed CAN, RHD

Table of Contents

Other manuals for Volvo XC70 2012

Related product manuals