EasyManua.ls Logo

Volvo XC70 2012 - Data Communication Intermediate Speed CAN, LHD

Volvo XC70 2012
364 pages
Print Icon
To Next Page IconTo Next Page
To Next Page IconTo Next Page
To Previous Page IconTo Previous Page
To Previous Page IconTo Previous Page
Loading...
TP 39217202 XC70(08-) & S80(07-) 2012 51
73/3020
74/507
73/3019
CEM
CAN
4/56
C1:31
C1:12
C1:11
C1:73
Au Au
Au Au
C1:72
C1:6
10 1
D:4D:7
C1:11
VT-OG
GY-OG
VT-OG
GY-OG
BK
GN
BK
GN
YE
VT-WH YE-GN
YE-BU
VT-OG
GY-OG
VT-OG
GY-OG
VT-OG
GY-OG
VT-OG
GY-OG
57
C1:30
56
CPM
CAN
4/7
73/5012
73/5011
73/5005
74/504
GY-OG
VT-OG
GY-OG
VT-OGAu
Au
Au
Au GY-OG
73/5006
73/5003
73/5001
73/5009
73/4034
73/4035
73/4001
73/5010
73/5002
73/5004
VT-OG
GY-OG
VT-OG VT-OG
VT-OG
GY-OG
GY-OG
GY-OG
VT-OG VT-OG
GY-OG
VT-OG
GY-OG
OWS
CAN
C1:7
C1:14
C1:12
C1:11
PAM
CAN
4/86
C2:15
C2:3
DDM
CAN
3/126
C2:2
C2:1
TRM
CAN
4/110
VT-OG
GY-OG
C4:4
C4:3
KVM
CAN
4/93
1 2
74/508
VT-OG
GY-OG
VT-OG
VT-OG
GY-OG
GY-OG
VT-OG
GY-OG
VT
-OG
GY
-OG
VT-OG
GY-OG
VT-OG
GY-OG
C2:3
C2:15
C1:9
C1:10
PDM
CAN
3/127
C1:6
C1:2
1 2
11
17/13
CAN
3
PSM
4/52
CAN
19
20
74/409
CAN
16/60
PHM
#
7
0
8
1
45
2
9
6
3
73/4002
VT-OG
GY-OG
VT-OG
GY-OG
C1:2
C1:3
CAN
5/1
DIM
74/9
11 6
74/31
2 1
20 19
4/9
CAN
SRS
C1:27 C1:28
GY-OG
VT-OG
GY-OG
V70
VT-OG
GY-OG
C1:12
C1:5
POT
CAN
4/116
VT-OG
GY-OG
VT-OG
73/5085
73/5084
V70
V70
V70
V70
V70
7/93
Au
Au
Au
Au
4/6
C°/F°
CCM
CAN
ICM
CAN
3/281
74/401
10 9
I06016
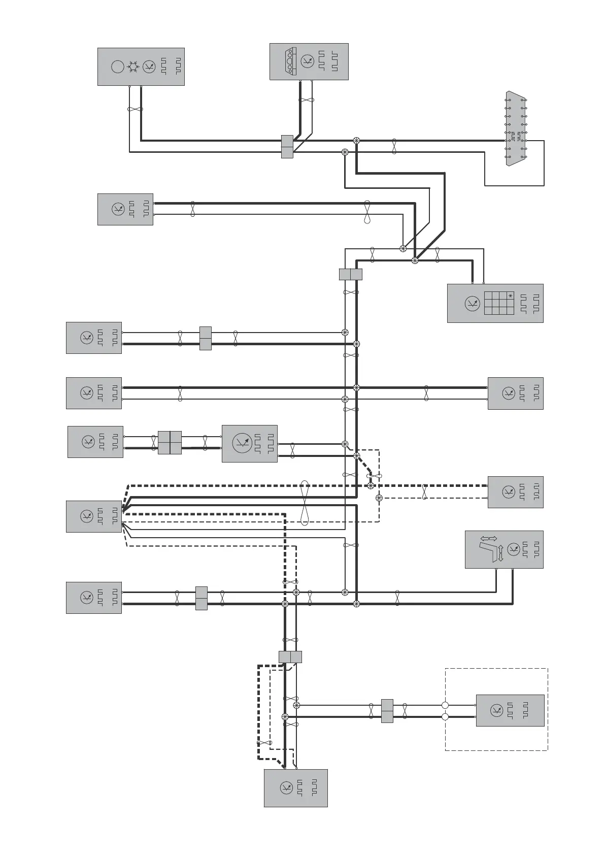
Control modules
Data communication intermediate speed CAN, LHD

Table of Contents

Other manuals for Volvo XC70 2012

Related product manuals