EasyManua.ls Logo

Volvo XC70 2012 - Start-;Stop Function 4-Cyl. 1.6 L Turbo

Volvo XC70 2012
364 pages
Print Icon
To Next Page IconTo Next Page
To Next Page IconTo Next Page
To Previous Page IconTo Previous Page
To Previous Page IconTo Previous Page
Loading...
TP 39217202 XC70(08-) & S80(07-) 2012 65
1(86)
3(30)
R12
2/35
15/31
5(87)
2(85)
RD-BU
11B/27
1
2
BU-WH
M
C2:1
6/25
C1:1
1
3
R7
2/31
5
2
1
11B/20
2
1
11B/17
2
GY-VT
BU-WH
74/302
1
I013612
A:90
15/37
R2
2/246
2
1
2
1
2
1
3
5
2
1
3
5
2
1
11B/12
2
1
2
1
2
1
R1
2/166
MF1
F10
MF2
M11
11A/9
74/316
1
RD
RD
12V
BK
31/131
1/2
RD
C1:1
6/26
B+
G
31
ACM
LIN
RD
73/3157
2
5
3
4
74/316
RD-BU
RD-BU
RD
RD
ECM
CAN
LIN
4/46
4-CYL.
A
A
1.6 P
GY-VT
YE-VT
YE-VT
RD-BU
73/3160
15/31_11B/33:2
RD
4/56C2:17
A:5
A:27
A:29
BK-YE
BU-WH
B:49
B:24
B:18
1
3
2
BN-VT
BU-WH
YE-OG
3
2
1
7/251
7/251
VAC
P
BN-VT
VT-WH
RD-GN
GN-VT
B:40
B:7
B:54
4
NEUTRAL
POS.
1
2
GY-BU
B:31
3
7/243
1.6 P
73/3094
VT-WH
31/XX10
YE-OG
A:41
BU-BN
C2:1
GN-RD
YE
B4164T
12V
BK
31/3
1/1
RD
2
1
PF1
2
1
PF4
2
11
11A/1
2
11A/2
2
1
11A/44
1.6 D
CEM
4/56
C1:13
CAN
GN-VT
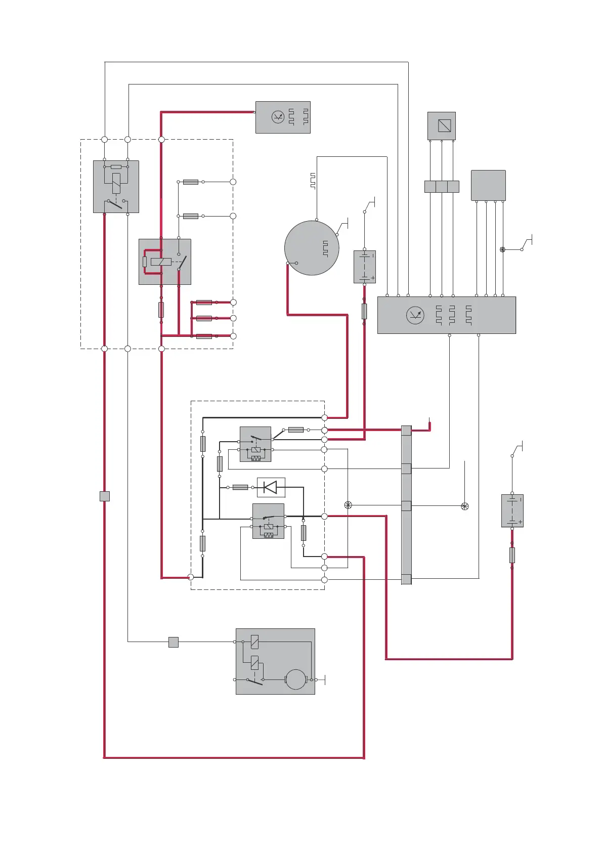
Group 27 Engine controls
Start-/Stop function 4-Cyl. 1.6l Turbo

Table of Contents

Other manuals for Volvo XC70 2012

Related product manuals