EasyManua.ls Logo

Volvo XC70 2012 - Lighting in Door Sill Trims

Volvo XC70 2012
364 pages
Print Icon
To Next Page IconTo Next Page
To Next Page IconTo Next Page
To Previous Page IconTo Previous Page
To Previous Page IconTo Previous Page
Loading...
TP 39217202 XC70(08-) & S80(07-) 2012 116
10X/125
10X/126
2
10/126
4
2
4
10/125
11A/2
RD-BK
RD-BU
2
1
30+
2
1
BU-WH
BU-WH
GY-BK
GY-BK
RD
RD
BK
RD
RD
BK
BK
RD
BK
RHD RHD
RHD
RHD
RD
LHD
BK
BK
LHD
LHD
LHD
RHD
RD
RHD
BU-WH
LHD
BU-WH
LHD
RHD
BK
LHD
GY-BK
LHD
GY-BK
RHD
CEM
CAN
LIN
11A/1
15/31
C5:2 C5:1
F3
2
1
C3:56
C3:55
73/4019
4/56
26/7
1
2
1
2
4
1
5
5
2
3
BU-WH
4
1
2
3
BK
RD
BK
RD
26/6
10/249
10/251
10/250
10/252
BK
RD
BK
RD
BK
RD
BK
RD
BK
RD
BK
RD
1
2
1
2
1 2
BK
RD
1 2
S80
S80
G042607
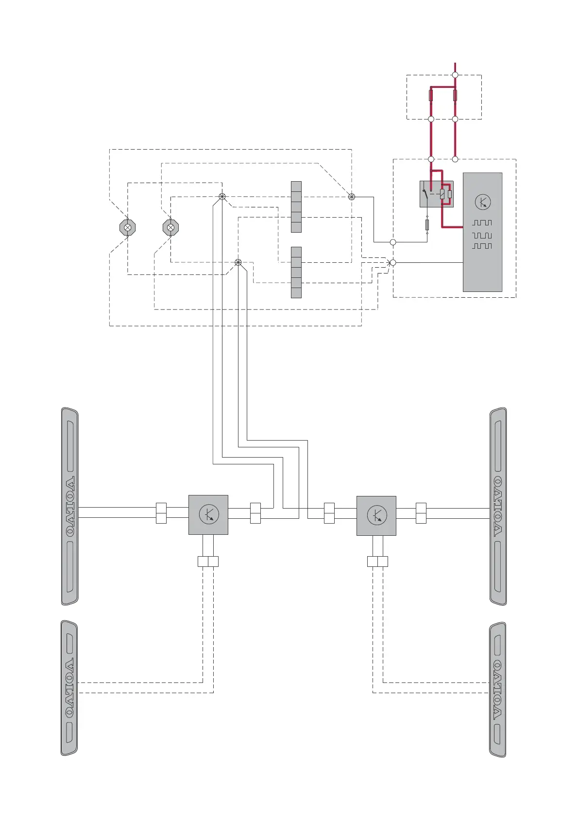
Group 35 Lighting, Accessories
Lighting in door sill trims

Table of Contents

Other manuals for Volvo XC70 2012

Related product manuals