EasyManua.ls Logo

Volvo XC70 2012 - Engine Management System D4162 T 1:3

Volvo XC70 2012
364 pages
Print Icon
To Next Page IconTo Next Page
To Next Page IconTo Next Page
To Previous Page IconTo Previous Page
To Previous Page IconTo Previous Page
Loading...
TP 39217202 XC70(08-) & S80(07-) 2012 74
MAF
2(85)
3(30)
2/32
R10
BK-YE
BK-YE
YE-BU
GY
VT-WH
-BU
5(87)
1(86)
C:15
C:19
B:53
B:47
C:31
C:24
C:47
11B/30
15/31
2
1
2
1
GY-VT
WH
YE
BN-GN
B:2
C:38
C:27
C:39
C:37
BU
YE-VT
BU-GY
7/16
7/17
4
5
3
2
2
1
30+
2
1
11B/37
11B/39
11B/38
11B/36
11B/41
11B/33
2
1
2
1
C:48
C:11
B:11
C:23
C:12
C:36
C:35
8/7
8/8
8/6
1
Au
Au
Au
Au
2
1
2
8/9
1
2
1
2
GN-BU
YE-BU
GY-YE
BU-OG
WH-OG
GY
VT-GY
GN-YE
YE-OG
C:45
YE-RD
VT-GN
B:15
1
1
2
2
4/109
73/3051
4
8
3
5
167
2
RD-VT
BU-BN
A
1
2
Au
Au
Au
Au
Au
Au
C:26
C:17
7/190
BN
WH-BU
B:33
B:46
7/191
YE-GY
GY-VT
WH-BU
BN
WH
YE-GN
VT-GN
7/15
GCU
CAN
ECM
4/46
DIESEL
2
1
2
1
11B/40
11A/42
2
1
1 1
1 1
4
3
6
2
Au
Au
Au
AuAu
Au
1
5
73/3094
20/22
20/23
20/24
20/25
31/XX10
2(85)
3(30)
2/142
R11
5(87)
1(86)
GY-BU
BN-WH
8/113
1
2
73/3152
B:11
GY-BU
WH-OG
8/28
1
2
B:16
GY-BU
VT-WH
BU-BN
YE-BU
GY-VT
GY-VT
BU-BN
VT-WH
4 3 2 1
74/307
A:28
Ag
Ag
Ag
Ag
Ag
Ag
Ag
Ag
Au
Au
Au
7/25
C:20
YE-VT
GN-BN
C:22
GY-VT
1
2
3
C:13
1,6 D
DV6C
B:54
B:20
VT-WH
GN
7/154
1
2
Au
Au
C:44
7/6
2
P
BU-BN
Au
Au
Au
Au
7/174
C:16
GY-VT
BN-BU
GN-OG
B:38
1
2
3
dP
B:40
7/172
C:7
C:9
GY-VT
BN-BU
C:1
1
2
3
GY-VT
A:3
A:4
A:53
BK-YE
BK-YE
BK-YE
BK-YE
73/3012
7/81
3
1
2
GY-OG
4
BN
GN-BN
WH-BN
B:52
P
Au
Au
Au
Au
B:39
B:34
B:22
73/3163
BN
BU-BN
B
BU-BN
RD-BU
I011139
2
1
Au
Au
8/111
M
WH
WH-BU
B:4
WH WH
BK-YE
BK-YE
1
2
+
-
6/73
YE-GNSTOSTA
STOSTA
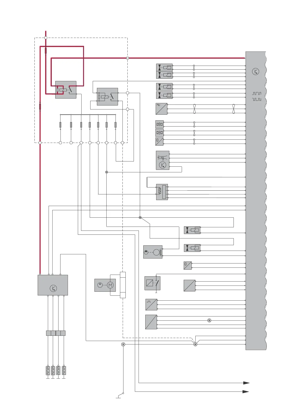
Group 28 Ignition and control system
Engine management system D4162T 1:3

Table of Contents

Other manuals for Volvo XC70 2012

Related product manuals