EasyManua.ls Logo

Volvo XC70 2012 - Interior Lighting, RHD 1:2

Volvo XC70 2012
364 pages
Print Icon
To Next Page IconTo Next Page
To Next Page IconTo Next Page
To Previous Page IconTo Previous Page
To Previous Page IconTo Previous Page
Loading...
TP 39217202 XC70(08-) & S80(07-) 2012 113
BK-OG
74/602
7
3
5
3/291
POT
10/25
4
2
BU-WH
BU-BK
74/602
6
1
3/78
3
5
74/603
10
BU-WH
BU-BKBK
BU-WH
BK-OG
V70
BK-WH
BK-WH
73/4014
73/4020
73/4016
73/4017
73/5026
73/5023
C1:14
BU-WH
10/114
10/115
31/10
3
4
1
10/150
10/29
31/83
31/15
1 3
1
3
73/4019
BU-WH
4
10/97
10/127
10/128
2
2
4
BU-WH
10/102
BU-WH
BU-WH
BU-WH
BU-WH
BU-WH
BK
BKBK
BK-WH
BK-WH
BK-WH
BU-WH
BK-WH
YE-BU
2
73/4012
BU-RD
BU-RD
BU-RD
BU-RD
BK-VT
BK-VTBK-GN
BK-GN
BK-VT
GY-BK
CEM
CAN
LIN
3/117
1
2
C1:12
F3
2
1
2
6/8
M
4
C1:4
C4:14
10/22
3/272
C3:69
C4:18
74/601
6
4
2
73/5044
BK-BU
BK-BU
GY-BK
31/47
BU-BK
BK-OG
73/5031
4/56
4
2
1
BK
BK
BK-OG
BU-WH
4
2
BU-WH
BU-WH
BU-WH
BN-BU
C3:1
GY-YE
74/414
2
74/403
74/501
7
22
14
2
13
1
16/181
10/72
10/3
1
7/12
4
1
3
5
2
73/5038
BU-BK
RD-BK
RD-BU
C5:2 C5:1
11A/4
2
1
30+
11A/2
2
1
11A/1
2
1
15/31
2
1
5
3
15/36
R4
2/193
RD-GY
C1:9
74/504
VT-GN
VT-GN
14
C2:70
C3:19
C3:56
C3:55
BU-WH
C1:6
73/4019
GY-BK
C1:9
RHD
I06054
BK-OG
12
3
21
21
1 On
2 Auto
3 Off
F6
2
1
C1:7
73/4031
BU-GY BU-GY
BU-GY
74/409
74/414
3
RD
11C/21
1
2
BU-GY
18
BU-GY
SUNROOF
SUNROOF
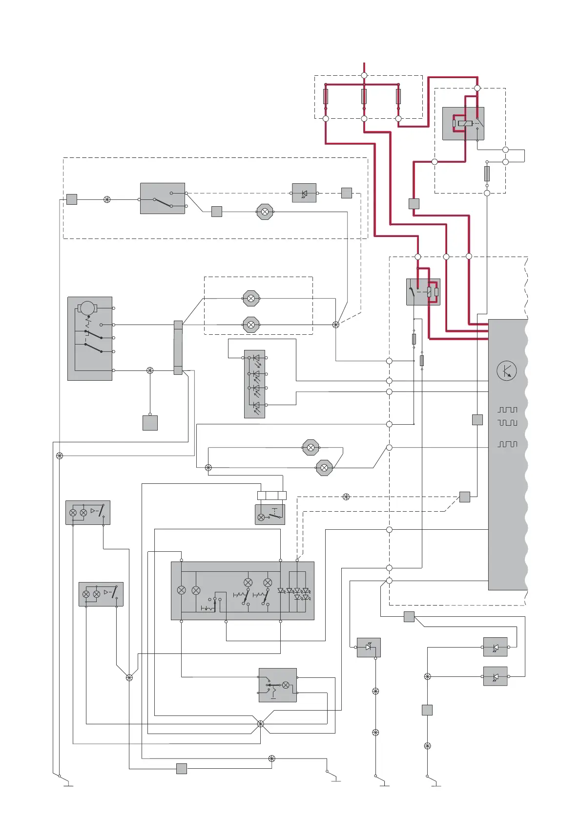
Group 35 Lighting
Interior lighting, RHD 1:2

Table of Contents

Other manuals for Volvo XC70 2012

Related product manuals