EasyManua.ls Logo

Volvo XC70 2012 - Page 112

Volvo XC70 2012
364 pages
Print Icon
To Next Page IconTo Next Page
To Next Page IconTo Next Page
To Previous Page IconTo Previous Page
To Previous Page IconTo Previous Page
Loading...
TP 39217202 XC70(08-) & S80(07-) 2012 112
3/127
C1:15
CAN
PDM
C1:2
YE
6/55
BK-GN
YE
YE
BK-GN Au
BU
6/57
GN
GN
GN-VT
3/126
DDM
C2:28
C2:29
C2:11
C2:10
CAN
C1:2
C2:15
C2:3
C2:15
C2:3
VT-RD
VT-RD
C1:13
31/15
C1:13
C1:4
C2:5
C1:15
BK-VTBK-VT
BK-VT
BK-VT
BK-VT
BK-VTBK-VT
BK-VT
31/6
BK-GNBK-GNBK-GN BK-GN
BK-GN
1
8
CAN
LIN
CEM
4/56
GN-VT
Au
C2:21
C2:20
3/128
10/241
LDM
LIN
3/129
RDM
LIN
RD
RD
74/507
74/507
73/5037
73/5036
73/5035
74/509
74/508
21
20
10X/241
1
10X/241
2
74/509
74/507
5
3
74/508
74/510
21
1
2
11A/4
30+
RD-GY
15/31
1
2
11C/811C/9
1
2
15/36
2
74/510
74/508
2
20
3
5
8
15
15
6/56
BK-GN
BK-GN
KEYLESS
KEYLESS
KEYLESS
KEYLESS
KEYLESS
KEYLESS
BK-GN
BK-GN
73/5025
73/5024
73/5023
13
13
C1:30
C1:31
1
BK-GN
4
6/36
AJAR
GND
4
AJAR
GND
4
AJAR
GND
4
AJAR
GND
UNLOCK
LOCK
3/80
43
2
5
1
GN-RD
GY-VT
VT-BK
VT
GY-YE
VT-GY
YE
2
1
VT
VT S80
S80 EXECUTIVE
S80 EXECUTIVE
GN-BN
GN-BN
GN-BN
YE YE
YE
GN-RD
GN-RD S80
10/282
2
1
C1:4
C2:5
C2:21
UNLOCK
LOCK
3/82
3/83:5
43
2
5
1
GN-BN
18
4
18
4
10/242
10X/242
1
10X/242
2
2
1
YE
S80
S80 EXECUTIVE
S80 EXECUTIVE
GN-BN
GN-BN
GN-BN
YE YE
YE
YE
GN-BN
GN-BN S80
10/283
2
1
10/243
10X/243
1
10X/243
2
2
1
BU-BK
BU-BK S80
S80 EXECUTIVE
S80 EXECUTIVE
GN-BN
GN-BN
GN-BN
YE YE
YE
GY-OG
GY-OG S80
10/284
2
1
10/244
10X/244
1
10X/244
2
2
1
GN-BU
GN-BU S80
S80 EXECUTIVE
S80 EXECUTIVE
GN-BN
GN
GN-BN
GN-BN
YE YE
YE
VT-RD
VT-RD S80
10/285
2
1
G042415
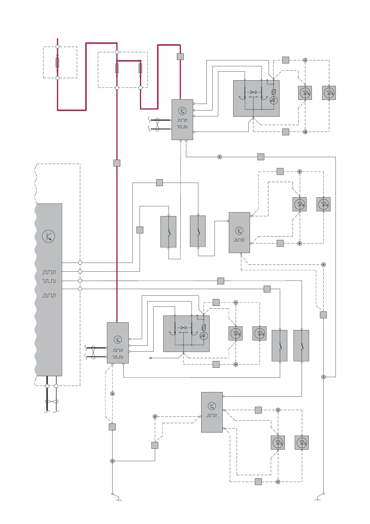
Group 35 Lighting
Interior lighting, LHD 2:2

Table of Contents

Other manuals for Volvo XC70 2012

Related product manuals