EasyManua.ls Logo

Volvo XC70 2012 - Direction Indicator and Hazard Warning Flashers RHD V70

Volvo XC70 2012
364 pages
Print Icon
To Next Page IconTo Next Page
To Next Page IconTo Next Page
To Previous Page IconTo Previous Page
To Previous Page IconTo Previous Page
Loading...
TP 39217202 XC70(08-) & S80(07-) 2012 122
TURN
FOG
POS
REV
STOP
TAIL/STOP
GND
GND
TURN
FOG
POS
REV
STOP
TAIL/STOP
GNDGND
10/47
10/54
74/507
73/5035
31/10
20
BK-WH
BK-WH
LIN
LIN
3/6
C3:13
10
3
5
1
C3:37
GY-OG
GN-OG
GN-OG
C5:1
4/56
CEM
GY-RD
11A/1
2
1
30+
y
M
x
M M
F
6/62
MEM
X
MEM
Y
CAN
PDM
C5:2
11A/2
2
1
11A/4
2
1
11C/8
2
1
11C/9
2
15/31
15/36
1
74/507
C2:11
C2:23
C2:3
C2:15
DDM
74/508
21
C2:23
C2:11
CAN
RD-GY
RD
VT-RD
RD
VT-RD
C1:2C1:2
3/127
3/126
YE-VT
BU-GN
C2:69 C1:66C2:44C1:4
31/94
31/6
BK-VT
BK-VT
BK-VT
KEYLESS
BK-VT
KEYLESS
BK-VT
C1:13
74/508
20
31/15
BK-GN
BK-GN
BK-GN
BK-GN
31/93
BK-OG BK-OG
C1:13
y
M
x
M M
F
6/63
MEM
X
MEM
Y
M
-
+
L
HIGH
LOW
POS
TURN
10/1
10
10/13
M
-
+
L
LOW
HIGH
POS
TURN
10/2
10
10/14
10/16
10/15
2
2
BK
BK-BU
RD-BK
RD-BU
BK
BK-BU
CAN
73/3035
BK-VT
BK-VT
73/3033
C2:3
C2:15
CAN
LIN
3/130
SWM
C1:7
C1:20
73/5024
21
C1:20
6 12
6
12
LIN
73/5023 73/5037
73/4012
DIM
C1:6
C1:2
5/1
CAN
10/17
10/18
BK-OG
BK-OG
31/48
73/5033
BK-BU BK-BU
C1:4
C2:4
C1:4
C2:4
73/6001
BK-OG
BK-OG
74/602
31/47
73/5105
7
BK-OG
BK-OG
C2:2
C2:2
G042458
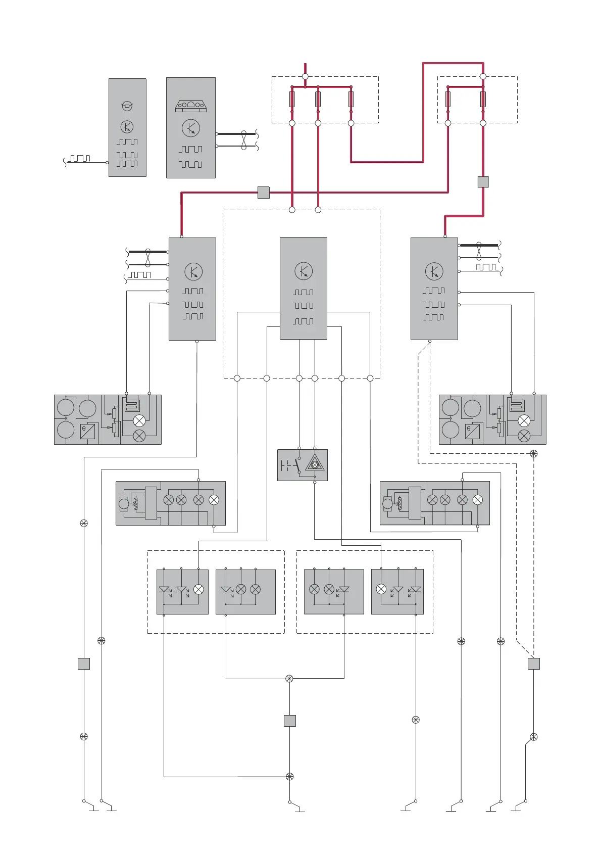
Group 36 Additional electrical equipment
Direction indicator and hazard warning flashers RHD V70

Table of Contents

Other manuals for Volvo XC70 2012

Related product manuals