EasyManua.ls Logo

Volvo XC70 2012 - Navigation System, Portable

Volvo XC70 2012
364 pages
Print Icon
To Next Page IconTo Next Page
To Next Page IconTo Next Page
To Previous Page IconTo Previous Page
To Previous Page IconTo Previous Page
Loading...
TP 39217202 XC70(08-) & S80(07-) 2012 160
31/631/15
BK-VT BK-VT BK-VT
GN-OG
GN-OG
BK-VT
BK-GN
LHD
RHD
BK-VT
BK-GN
74/502
73/5035
73/5023
73/5026
73/5027
2
9/1
9X/1
2
1
VT
VT VT
BK
BK
FUSE 2A
21
2
1
1
2
3
4
5
6
7
8
9
10
11
12
VT
BK
16/45
NAVI
PORTABLE
1
2
3
X
GND
1
2
11A/4
30+
1
2
11A/2
RD-GY
15/31
2
1
5
3
15/36
RD
11C/22
1
2
R4
2/193
74/502
1
C5:2
C1:9
4/56
CEM
CAN
LIN
74/504
VT-GNVT-GN
RD-BU
14
I05030
1
2
3
4
5
TMC
GND TMC
RX TMC
ID TMC
TX TMC
PWR TMC
GND TMC
PWR TMC
TX TMC
ID TMC
RX TMC
R
W
Y
GN
SB
R
W
Y
GN
SB
16/49
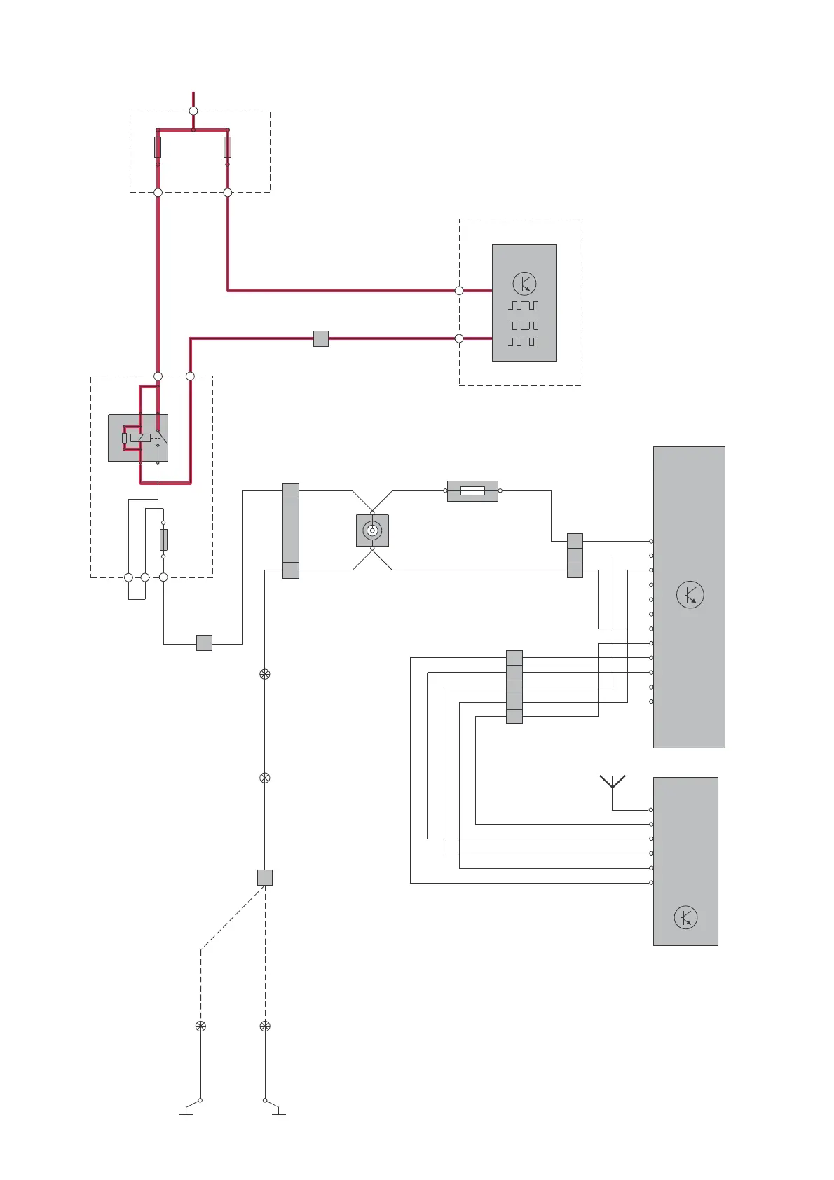
Group 39 Other, Accessories
Navigation system, portable

Table of Contents

Other manuals for Volvo XC70 2012

Related product manuals