EasyManua.ls Logo

Volvo XC70 2012 - Automatic Transmission AWF21

Volvo XC70 2012
364 pages
Print Icon
To Next Page IconTo Next Page
To Next Page IconTo Next Page
To Previous Page IconTo Previous Page
To Previous Page IconTo Previous Page
Loading...
TP 39217202 XC70(08-) & S80(07-) 2012 165
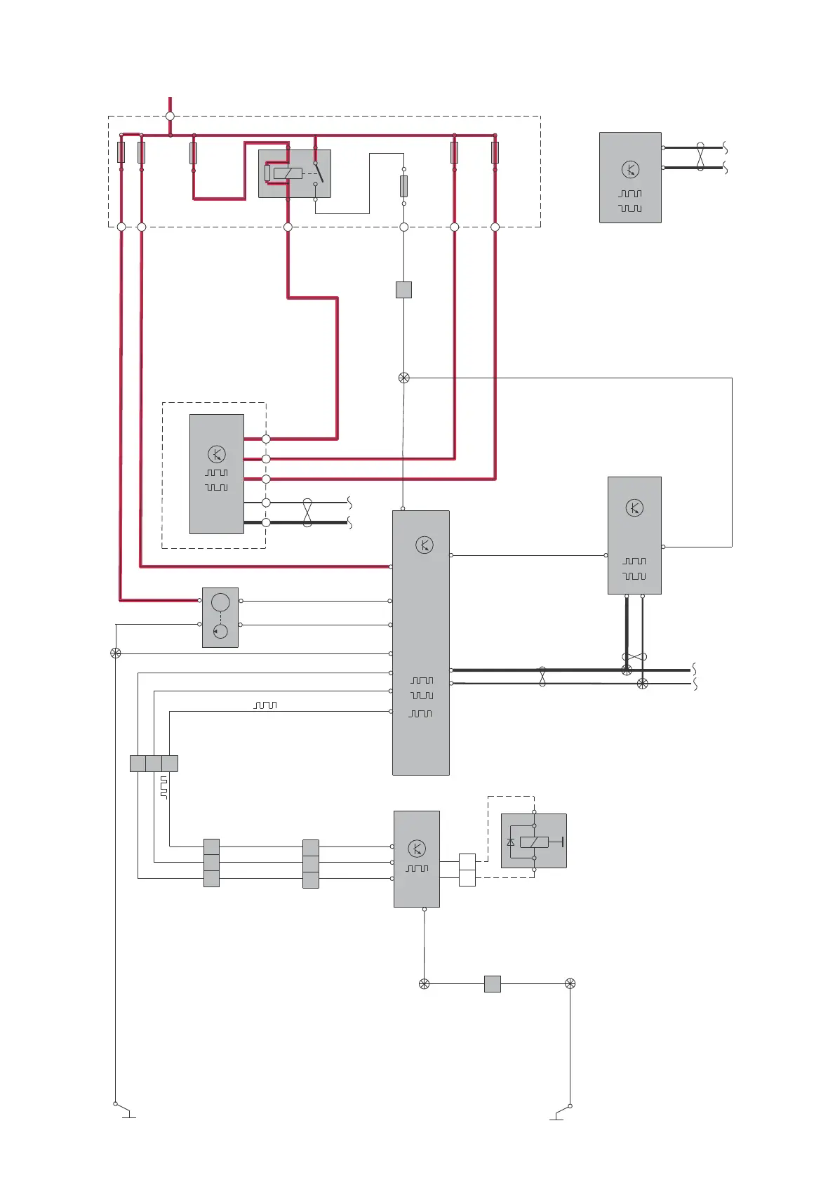
AWF21
(TF-80..)
TCM
CAN
CAN
13
12
4/16
BCM
9
GN-OG
A:13
A:16
GN-OG
31/XX10
BK-YE
LIN
A:1
A:11
11
BN-VT
A:7
BN-VT
73/3094
74/301
3/156
BK-YE
BU-GY
21
BU-GY
A:9
74/411
GSM
10
9
A:2
A:3
A:1
A:6
11
LIN
74/411
10
9
11
74/403
22
8
9
BU-GY
BN-VT
GN-RD
BU-GY
BN-VT
GN-OG
31/15
73/5026
73/5023
BK-GN
BK-GN
BK-GN
BK-GN
74/530
8
74/301
73/3064
VT-BN
T
VN
B
-
GN-VT
VT-BN
RD-WH
RD-BK
RD-BU
11
2
11B/31
30+
1
2
11A/1
2
11B/27
15/31
1
2
11A/2
1
2
11B/20
52
31
R7
2/31
32
BU-BK
GN-BK
C3:6
C3:7
4/56
4/28
CEM
CAN
C5:1
C5:2
C1:13
4/46
ECM
HISPEED
BU-BK
GN-BK
CAN
BU-BK
GN-BK
GY-BN
A:5
B:13
A:6
B:15
A:14
73/3014
73/3015
VT-BN
B:54 B:41
BU-BK
GN-BK
5 & 6 Cyl.
I5D(VED5)
Ag
Ag Ag
Ag
I011081
BU
1
2
11B/41
6/127
1
2
M
43
A:12
A:10
BK-YE
VT-GY
BU
YE-GN
B:48(I5D)
B:46(I5D)
B:40(I5D) B:53(I5D)
TF-80SC/TF-80SC A
WD
B:1
B:2
8/36
8/37
Group 43 Transmission
Automatic transmission AWF21

Table of Contents

Other manuals for Volvo XC70 2012

Related product manuals