EasyManua.ls Logo

Volvo XC70 2012 - Electrical Distribution; Overview, Distribution Box in Engine Compartment

Volvo XC70 2012
364 pages
Print Icon
To Next Page IconTo Next Page
To Next Page IconTo Next Page
To Previous Page IconTo Previous Page
To Previous Page IconTo Previous Page
Loading...
TP 39217202 XC70(08-) & S80(07-) 2012 11
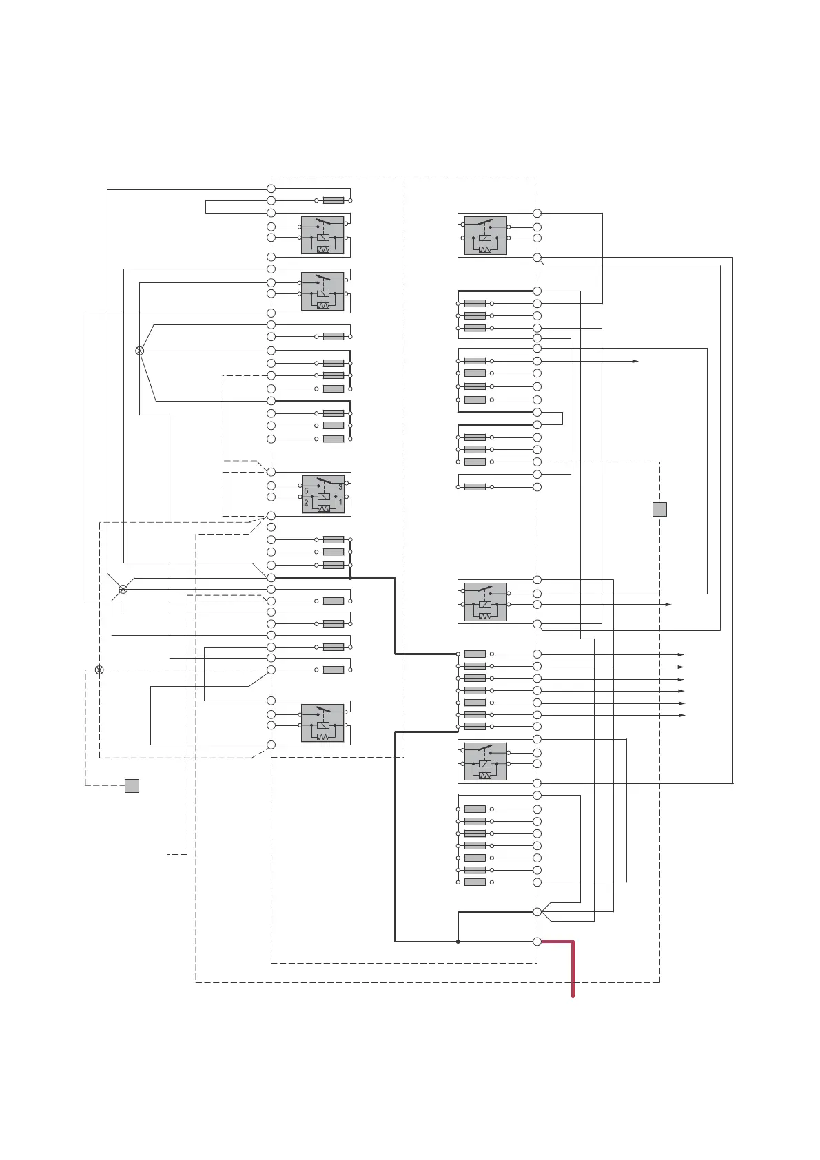
Electrical distribution
Overview, Distribution box in engine compartment
15/31
11B/36
21
11B/37
21
11B/38
21
11B/41
11B/18
12
11B/16
12
11B/17
73/3068
73/3085
12
11B/19
12
1
1B/20
12
1
1B/21
12
1
1B/22
12
11B/23
12
11B/28
12
11B/29
12
YE-GN
RD
RD
RD
RD
GY-BK
RD
RD
GN-VT
RD-BK
RD-BU
RD-GN
RD-GY
RD-BN
15/36
15/36
15/32
4/56C5:2
4/56C5:1
RD
RD
RD
4/46B:16
6 CYL
RD
RD
RD
RD
RD
RD
RD
RD
GY-VT
GY-VT
GY-VT
GY-VT
RD
RD-BK
RD
11B/27
12
11A/1
11A/2
11A/3
11A/4
11A/5
11A/6
12
11A/7
12
12
12
12
12
12
21
11B/40
21
11B/39
21
11A/43
21
11A/42
21
11A/44
21
11B/33
21
11B/32
21
11B/31
21
11B/30
21
11B/35
21
11B/34
21
2
1
3
5
2/22
R13
R10
2
1
3
5
2/31
R7
2
1
3
5
2/32
2
1
3
5
2/35
R12
11B/13
11B/11
11B/9
11B/12
11B/10
12
11B/14
12
12
12
12
12
11B/8
12
9/42
4/56C1:13
4/56C1:63
RD
RD-VT
RD
2/142
R11
Diesel
2/133
R11
4 Cyl. T
4 Cyl. T &
4 Cyl. T
4 Cyl. T
5 Cyl. D
5 Cyl. D
BU-OG
GN-OG
GN-OG
BU-OG
YE-GN
74/301
16
I012211
2
1
3
5
2/17
R8
2
1
3
5
2/182
R9
RD-VT
RD
RD
RD
73/3160
A
74/316
2
STOSTA
STOSTA
STOSTA
STOSTA
RD-BU
RD-BU
RD-BU
RD-BU
30+

Table of Contents

Other manuals for Volvo XC70 2012

Related product manuals