EasyManua.ls Logo

Volvo XC70 2012 - Automatic Transmission, TF-80 SC AWD

Volvo XC70 2012
364 pages
Print Icon
To Next Page IconTo Next Page
To Next Page IconTo Next Page
To Previous Page IconTo Previous Page
To Previous Page IconTo Previous Page
Loading...
TP 39217202 XC70(08-) & S80(07-) 2012 163
31/6
4/46
ECM
HISPEED
BU-BK
GN-BK
BU-GY
GN-OG
BN-VT
BU-GY
GN-OG
BN-VT
BU-GY
GN-OG
BN-VT
BU-GY
GN-RD
BN-VT
CAN
7/74
N
N
OT
OTG
SLT
TCM
CAN
SLU
SLTG
S1
S2
SLC3
SLC3G
SLUG
CAN
C1:13
A:1
A:11
C1:12
4/16
BCM
4/28
A:2
8/71
8/40
8/37
8/38
8/39
8/145
31/15
BU-BKBU-BK
BU-BK
GN-BKGN-BKGN-BK
B:3
B:8
B:7
B:1
B:9
B:4
B:22
B:14
B:2
B:5
SLC1
SLC2
SLC1G
SLB1
SLB1G
SLC2G
8/143
8/144
8/142
B:11
B:10
B:17
B:18
B:16
B:21
7/62
SP+
SP-
B:19
B:20
7/61
NIN+
NIN-
B:12
B:13
LIN
GY-BN
73/5026
73/5023
73/3094
73/5035
74/403
A:1
A:3
GSM
3/156
LIN
TF-80SC/TF-80SC AWD
I5T/I6/I5D
B:54
I5D
B:25
Ag
I5T/I6
B:13
Ag
Ag
B:41
I5T/I6/I5D
B:15
I5T/I6/I5D
Ag
BK-VT
BK-VT
BK-VT
BK-GN
BK-VT
BK-GN
RHD
LHD
C3:6 C3:7
4/56
CEM
CAN
A:14
A:16
A:6
A:5
A:6
9
22
8
B:1
B:2
C5:1
C5:2
74/301
73/3064
73/3014
73/3015
VT-BNVT-BN
VT-BN
GN-VT
VT-BN
RD-WH
RD-BK
RD-BU
A:13
A:7
A:9
8/36
C1:31
C1:13
C1:30
11
2
11B/31
30+
1
2
11A/1
2
11B/27
15/31
1
2
11A/2
1
2
11B/20
52
31
R7
2/31
32
74/502
2
74/411
11
10
9
74/301
21
11
9
31/XX10
BK-YE BK-YE
I03155
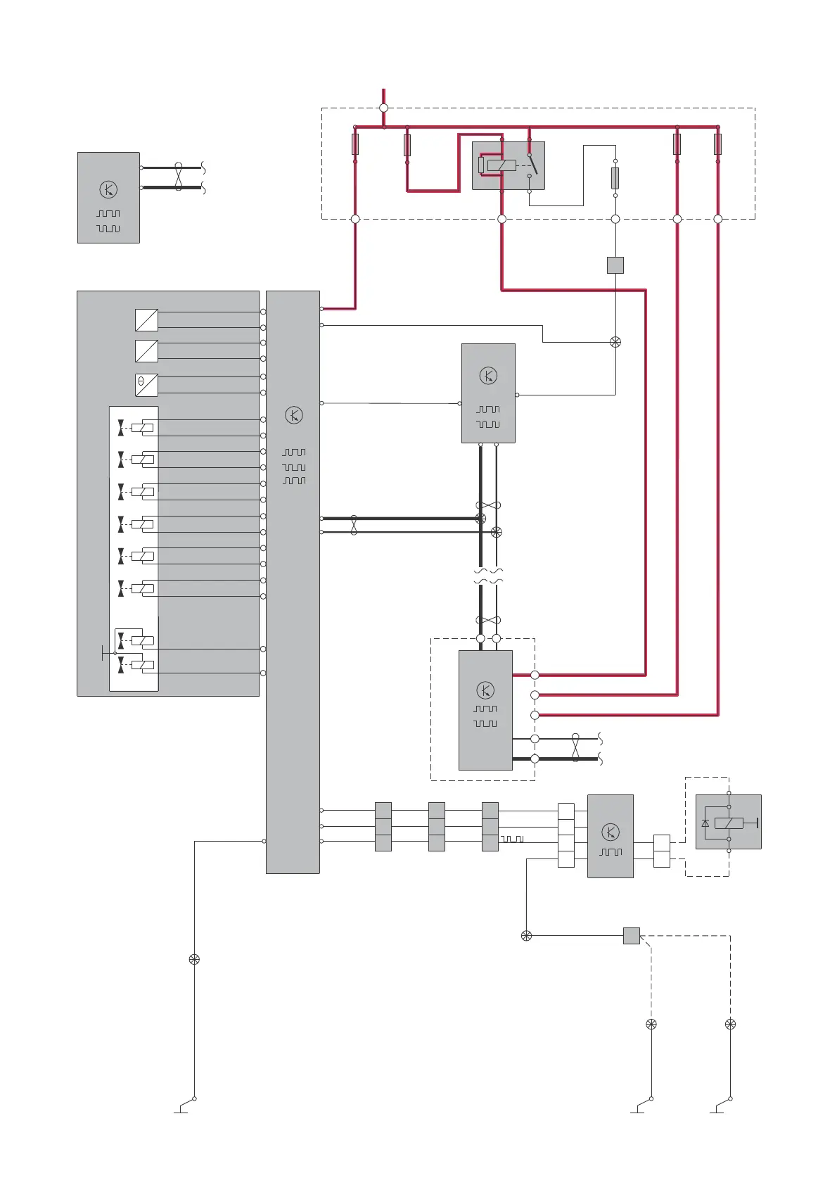
Group 43 Transmission
Automatic transmission, TF-80SC AWD

Table of Contents

Other manuals for Volvo XC70 2012

Related product manuals