EasyManua.ls Logo

Volvo XC70 2012 - Anti-Theft Alarm

Volvo XC70 2012
364 pages
Print Icon
To Next Page IconTo Next Page
To Next Page IconTo Next Page
To Previous Page IconTo Previous Page
To Previous Page IconTo Previous Page
Loading...
TP 39217202 XC70(08-) & S80(07-) 2012 130
CAN
CAN
4/56
CEM
74/507
6/36
6/8
M
3
2
2
4
BK
74/601
LIN
LIN
7/12
3
5
C1:30
C1:31
31/47
73/5105
73/5038
73/4014
73/4012
74/414
7/199
2
3
1
IMS
C4:20
C4:9
C2:28
BN
VT
C2:10
16/35
1
SCM
C1:60
C1:47
RD
YE-RD
3
2
31/9331/10
3/62
1
2
C1:39
BU-OG
73/3036
BK-OG
BK-RD
7/100
C2:29
C2:11
BK-OG
BK-WH
BK-WH
BK-WHBK-WH
30+
1
2
11A/2
2
F14
2
F16
11
RD-BK
RD-BU
1
2
11A/1
C5:2C5:1
BU-BN
C3:1
C3:39
C2:30
YE-OG
VT-BK
BU-BK
BK
2
1
LIN
BK-OG
BK-OG
GN-VT
4
GN-VT
15/31
4
1
1
3
74/508
6/55
GN-BK
4
3
74/509
6/57
GN
4
5
74/510
6/56
YE
GN-BK
GN
YE
4
5
2
AJAR
CCM
4/6
C°/F°
C1:8
C1:10
2
1
AJAR
2
1
AJAR
2
1
AJAR
10/3
1
73/6001
BK-OG
74/602
7
74/602
13
1
3/78
3
5
YE-OG
BK-OG
V70
31/96
73/3030
BK-RD
BK-OG
YE-OG
S80
V70
V70
Au
Au
BU-BK
I06038
BK-OG
BK-OG
73/3153
73/3033
73/5031
BK-OG
31/65
BK-OG
V70
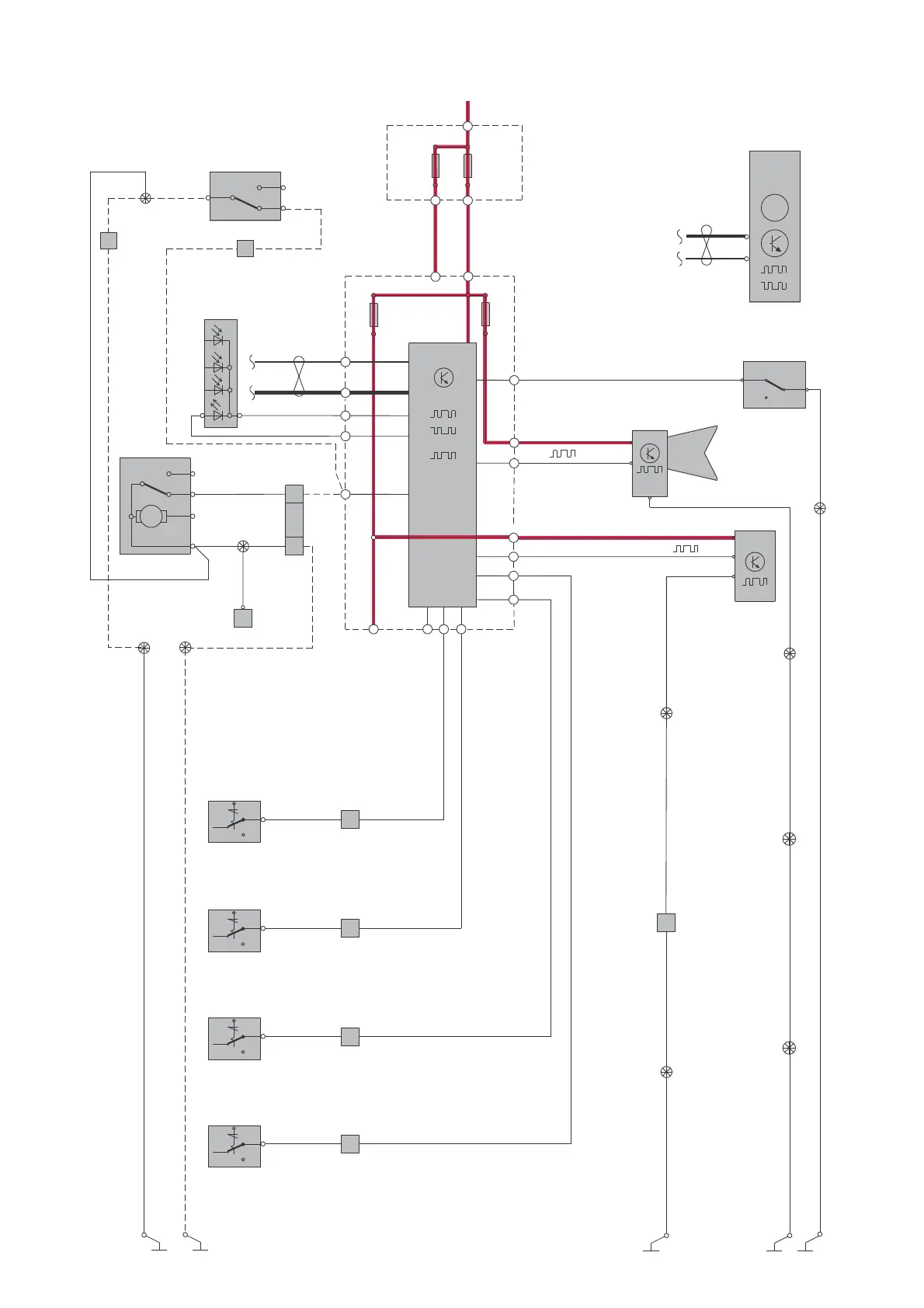
Group 36 Additional electrical equipment
Anti-theft alarm

Table of Contents

Other manuals for Volvo XC70 2012

Related product manuals