EasyManua.ls Logo

Volvo XC70 2012 - Group 55 Parking Brake Electric Parking Brake

Volvo XC70 2012
364 pages
Print Icon
To Next Page IconTo Next Page
To Next Page IconTo Next Page
To Previous Page IconTo Previous Page
To Previous Page IconTo Previous Page
Loading...
TP 39217202 XC70(08-) & S80(07-) 2012 #
1
2
11A/3
30+
RD-BN
RD-WH
15/31
4/56
31/47
2
C5:1
C5:2
C3:6
C3:7
C3:69
1
11A/1
RD-BK
RD-BU
CEM
CAN
LIN
74/409
73/4016
74/514
73/5070
73/4017
4/115
6/146
3/272
BU
GN-WH
WH-BN
VT-GN
VT-BK
BU-GN
BU-GN
WH-OG
BN
PBM
CAN
RD-GNRD-GNRD-GN
1
2
C1:15
C1:13
11D/A2
15/32
2
11D/A1
1
2
74/504B
73/5075
C1:20 3
C1:29
C1:16
C1:17
C1:14
2- 1+
Ag Ag
8
7
4
6
5
1
2
2
1 2
3 4 5 6 7
C1:11
C1:18
C1:9
C1:19
C1:10
C1:28
BU
BU-RD
GN-WH
WH-BN
VT-GN
WH-OG
BN
BK
BK
BK-OG
BK-OG
BK-OG
C1:30
M
6/147
YE-GY
GN-BN
YE-GY
GN-BN
C1:27
C1:12
2- 1+
Ag Ag
M
P
2 1
74/524
BK
RHDRHD
LHD
VT-BK
BK
31/83
2
1
11A/2
G042392
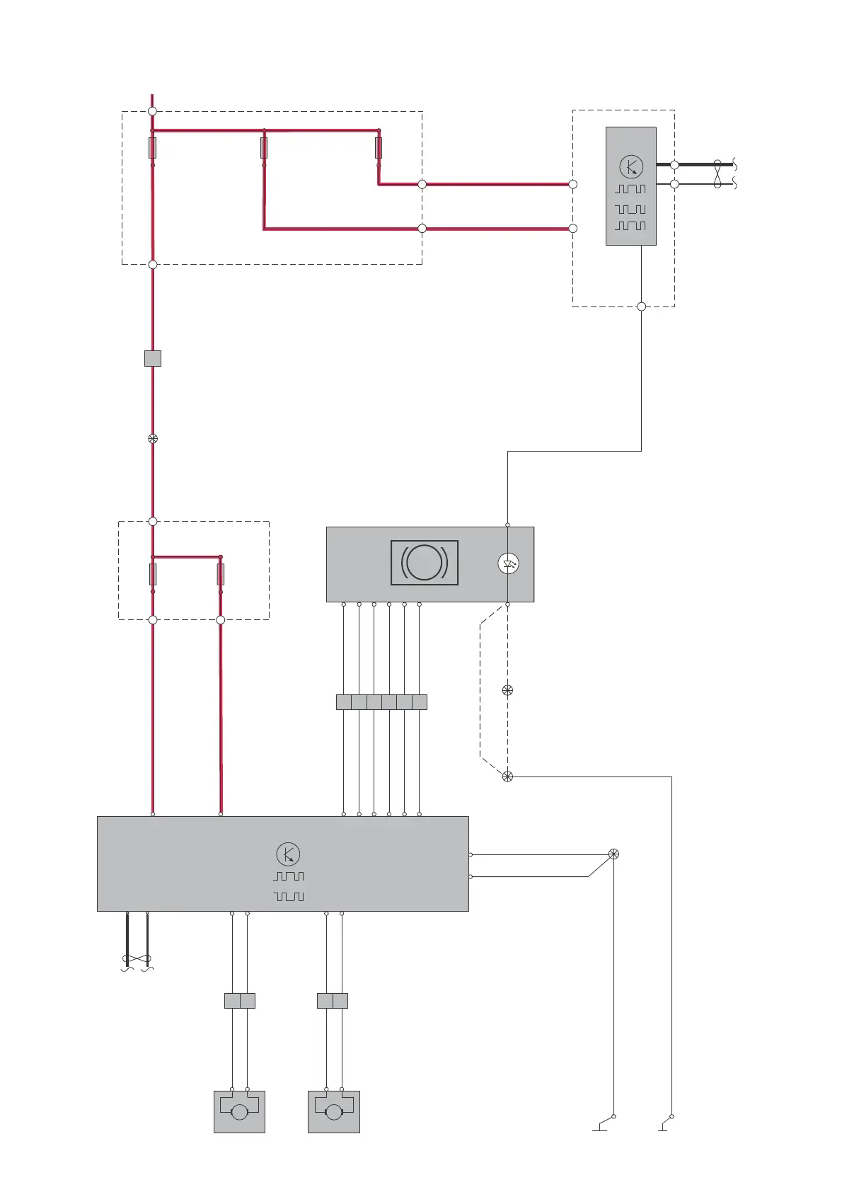
Group 55 Parking brake
Electric parking brake

Table of Contents

Other manuals for Volvo XC70 2012

Related product manuals