EasyManua.ls Logo

Volvo XC70 2012 - Running;Parking Light, Tail Lights V70

Volvo XC70 2012
364 pages
Print Icon
To Next Page IconTo Next Page
To Next Page IconTo Next Page
To Previous Page IconTo Previous Page
To Previous Page IconTo Previous Page
Loading...
TP 39217202 XC70(08-) & S80(07-) 2012 99
TURN
POS
TAIL/STOP
GND
10/52
FOG
REV
STOP
GND
FOG
REV
STOP
GND
TURN
POS
TAIL/STOP
GND
LIN
C1:31
C1:30
30+
1
CEM
4/56
2
11A/1
2
11A/2
C2:47
1
1
2
11B/23
15/31
C2:49
RD-BK
RD-BU
BK
BK
BK
RHD
RHD
LHD
M
+
-
L
LOW
HIGH
POS
TURN
M
+
-
L
LOW
HIGH
POS
TURN
10/1
10/2
10
1
1
10
10/12
10/11
C5:2
C5:1
C1:18
C1:15
C3:49
31/8331/9331/94
GN-OG
GY-RD
WH-OG
VT-GN
CAN
9
74/602
YE-VTYE-VT
C2:48
73/3033
73/4017
73/4016
73/3035
BK-OG
BK
BK-VT
BK-OG
BK-VT
1
6
5
LIN
RD-BK
RD-BK
GN-VT
3/111
74/411
12
LSM
CAN
C1:6
C1:2
5/1
DIM
10/17
10/18
BK-OG
BK-OG
31/48
73/5033
BK-BU BK-BU
C1:4
C2:4
C1:4
C2:4
73/6001
BK-OG
BK-OG
74/602
31/47
73/5105
7
BK-OG
BK-OG
C2:1
C2:1
10/45
BK-OG
10/3
13
24
2
1
3/35
KVM /
POT
G042426
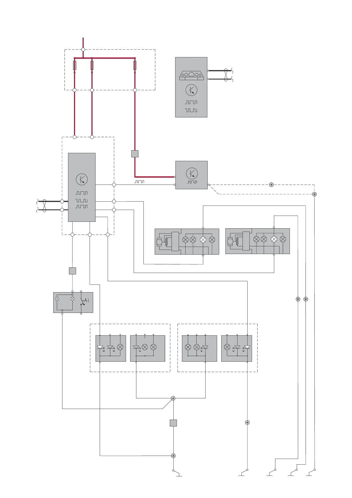
Group 35 Lighting
Running/Parking light, Tail lights V70

Table of Contents

Other manuals for Volvo XC70 2012

Related product manuals