EasyManua.ls Logo

Volvo XC70 2012 - Data Communication High Speed CAN

Volvo XC70 2012
364 pages
Print Icon
To Next Page IconTo Next Page
To Next Page IconTo Next Page
To Previous Page IconTo Previous Page
To Previous Page IconTo Previous Page
Loading...
TP 39217202 XC70(08-) & S80(07-) 2012 49
14
6
17/13
74/409
74/520
74/511
BU-BK
GN-BK
BU-BK
GN-BK
BU-BK
GN-BK
BU-BK
BU-BK
GN-BK
BU-BK
GN-BK
BU-BK
GN-BK
GN-BK
BU-BK
GN-BK
BU-BK
GN-BK
BU-BK
GN-BK
GN-BK
C1:4
C1:3
BU-BK
BU-BK
GN-BK
73/4007
73/4006
73/4005
73/4008
C1:6
C1:8
C1:9
C1:7
C1:8
C1:7
DEM
CAN
4/82
FSM
CAN
4/80
SWM
3/130
22 23
BU-BK
GN-BK
BU-WH
GN-OG
BU-WH
GN-OG
BU-BK
GN-BK
BU-BK
GN-BK
BU-BK
GN-BK
BU-BK
GN-BK
BU-BK
GN-BK
73/3021
73/3015
73/3014
73/3022
BU-BK
GN-BK
GN-BK
BU-BK
C1:12
C1:13
BCM
CAN
4/16
C1:19
C1:18
5 CYL
6 CYL
T
BU-BK
BU-BK
BU-BK
GN-BK
GN-BK
GN-BK
BU-BK
GN-BK
73/5016
73/5015
C1:16
23
C1:17
C1:16
C1:15
SUM
CAN
4/847/164
CAN
4/115
74/504
45 44
74/301
1 2
B:41
B:54
ECM
B5254T10
CAN
4/46
B:41
B:54
ECM
B6324S4
AUTO
MAN
AUTO
CAN
4/46
73/4037
73/4038
PBM
BU-BK
GN-BK
GN-BK
BU-BK
A:6
A:14
TCM
CAN
4/28
AUTO
BSC
CAN
BN-BU
GY-BU
BN-BU
GY-BU
18 9
FLR
CAN
7/203
74/411
4 5
SAS
4/68
CAN
74/504
7 8
AUTO
Ag
Ag
Ag
Ag
Au
Au
Au
Au
Au
Au
BU-BK
GN-BK
5 CYL
ECM
4/46
CAN
GN-BK
B:54
B:41
BU-BK
D5204T
Ag
Ag
DIESEL
74/518
12
2 1
4
3
MAN
73/3139
73/3140
B6324S5
B6304T4
D5244T10
D5244T16
I06015
73/5097
73/4098
BN-BK
GN-BK
BU-BK
GN-BK
C3:6
C3:7
CEM
CAN
4/56
74/412
21 22 19 20
74/901
21 22 19 20
74/901
3
4
C3:4
C3:3
CAN
4/125
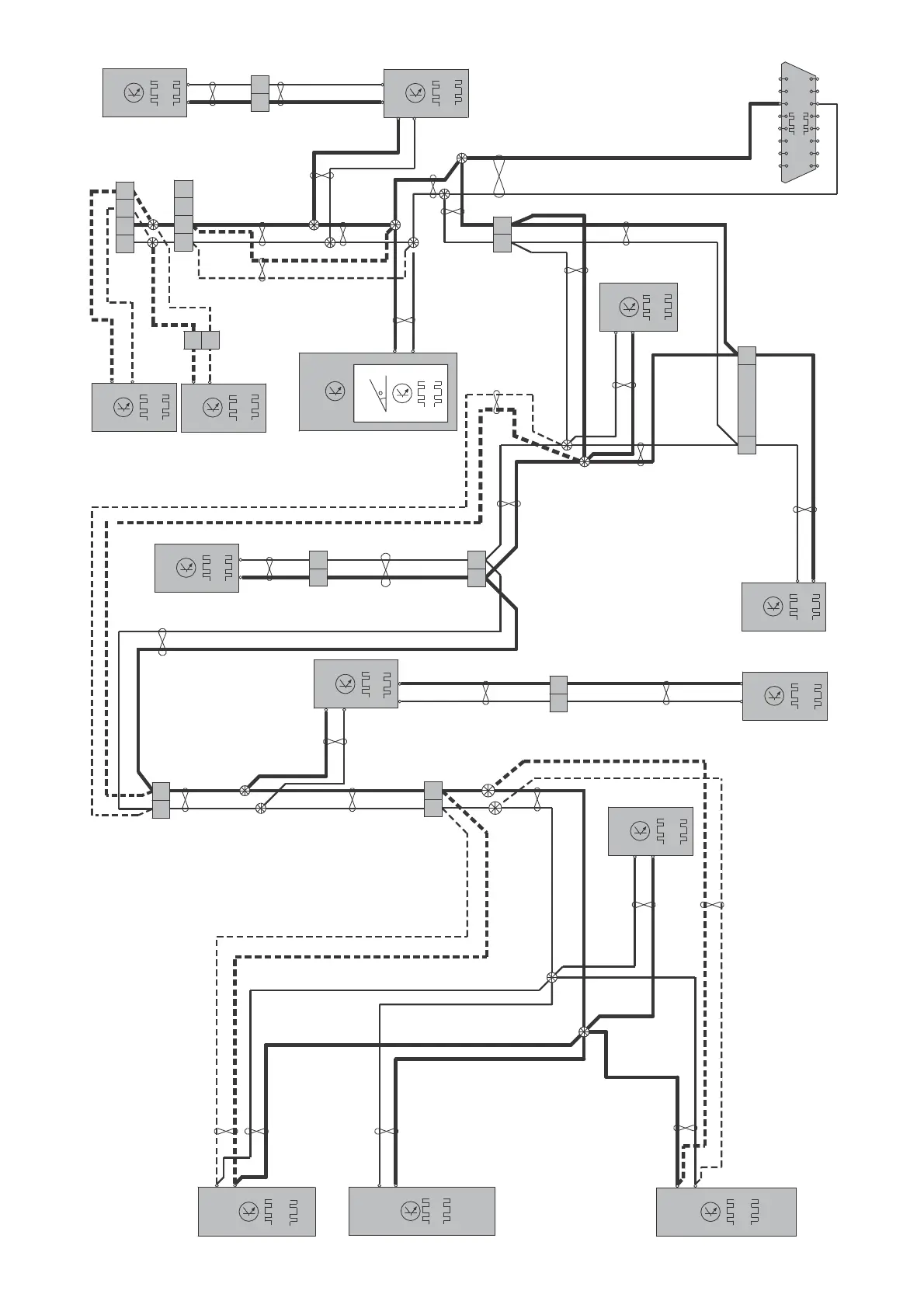
Control modules
Data communication high speed CAN

Table of Contents

Other manuals for Volvo XC70 2012

Related product manuals