EasyManua.ls Logo

Volvo XC70 2012 - Power Folding Headrest

Volvo XC70 2012
364 pages
Print Icon
To Next Page IconTo Next Page
To Next Page IconTo Next Page
To Previous Page IconTo Previous Page
To Previous Page IconTo Previous Page
Loading...
TP 39217202 XC70(08-) & S80(07-) 2012 210
1
4
4
1
3/113
31/65
73/5131
73/5050
8/59
BK-OG
BK-OG
BK-GN
BN-BU
BN-BU
BN-BU
8/60
73/5029
31/67
CCM
4/6
C°/F°
2
1
30+
15/31
C2:3
C5:1C5:2
4/56
CAN
LIN
CAN
CEM
11A/4 11A/2
2
1
2
1
RD-BU
GY-BN
WH-RD
RD-BK
1
2
3
5
2/75
R2
C1:31
C1:30
C1:2
C1:3
11A/1
2
1
11C/15
WH-RD
RD-GY
15/36
I042317
2
-
1
+
6/142
2
-
1
+
6/141
BK-OG
BK-OG
BK-OG
3
LIN
3/65
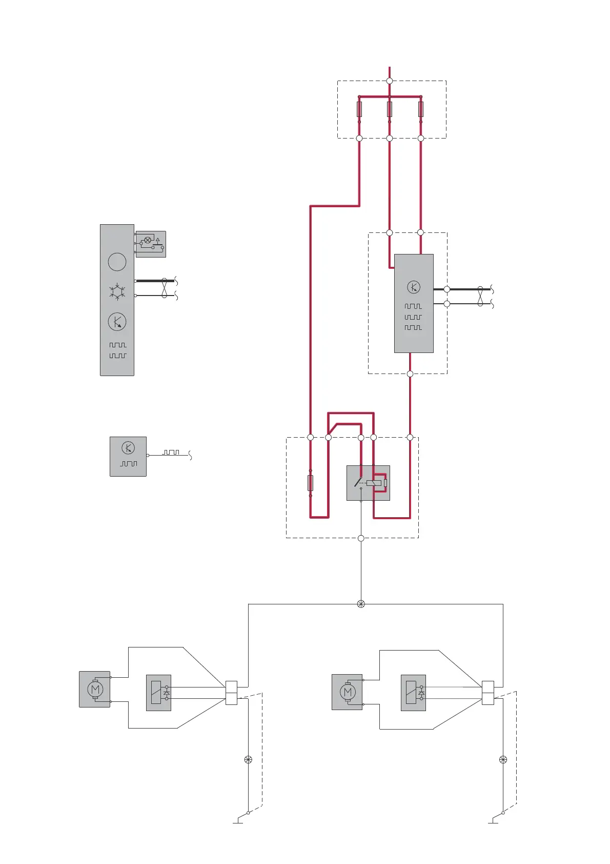
Group 88 Internal equipment
Power folding headrest

Table of Contents

Other manuals for Volvo XC70 2012

Related product manuals