EasyManua.ls Logo

Volvo XC70 2012 - Reversing Lights V70

Volvo XC70 2012
364 pages
Print Icon
To Next Page IconTo Next Page
To Next Page IconTo Next Page
To Previous Page IconTo Previous Page
To Previous Page IconTo Previous Page
Loading...
TP 39217202 XC70(08-) & S80(07-) 2012 107
TURN
FOG
POS
REV
STOP
TAIL/STOP
GND
GND
TURN
FOG
POS
REV
STOP
TAIL/STOP
GNDGND
BK-YE
CAN
C3:7
C3:6
A:14
A:6
TCM
4/28
30+
11A/2
2
11
2
11A/1
BK-YE
MAN 4-Cyl
MAN
MAN
BU
BU
74/301
31/XX10
C1:29
4/56
CEM
3/10
1
Au
2
Au
A:5
A:2
LIN
CAN
LIN
15/31
C2:73
C5:2
C5:1
3/156
A:7
74/411
BN-VT
A:17
BN-VT MPS6
MPS6
BN-VT BN-VT BN-VT
10
74/301
11
74/403
22
A:2
LIN
GSM
AUTO
RD-BU
RD-BK
73/3094
GN-BN
12
GY-VT
10/17
10/18
BK
BK-OG
BK-OG
GY-VT
31/48
73/5033
BK-BU BK-BU
73/6003
C1:4
C2:4
C1:4
C2:4
73/6001
BK-OG
BK-OG
74/602
31/47
73/5105
7
BK-OG
BK-OG
C1:1
C1:1
74/602
4
55
/01
8
4
/
0
1
I06005
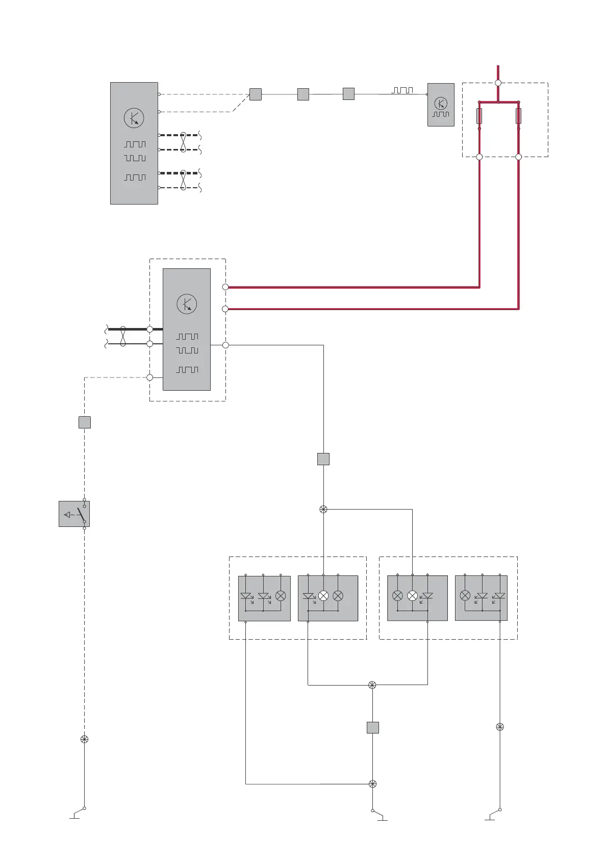
Group 35 Lighting
Reversing lights V70

Table of Contents

Other manuals for Volvo XC70 2012

Related product manuals