EasyManua.ls Logo

Volvo XC70 2012 - Alcohol Lock

Volvo XC70 2012
364 pages
Print Icon
To Next Page IconTo Next Page
To Next Page IconTo Next Page
To Previous Page IconTo Previous Page
To Previous Page IconTo Previous Page
Loading...
TP 39217202 XC70(08-) & S80(07-) 2012 134
11A/2
2
1
30+
1
2
11A/1
CAN
CEM
4/56
4/119.2
31/10
73/4012
C5:1 C5:2
LIN
RD-BK
RD-BU
15/31
GY-BN
2
1
3
BK-WH
BU-WH
BU-WH
RD-BN
GY-BN
BK-WH BK-WH
C4:19
C3:44
RD-BN
RD
RD RD
BK
BK BK
LRX
LIN
74/412
3
1
2
F3
C2:8
C2:43
GY-BN
12
C1:31
C1:30
C3:56
73/4019
12
12
17/45
7/238
26/8
10X/29
10/29
CAN
C1:6
C1:2
5/1
DIM
G042423
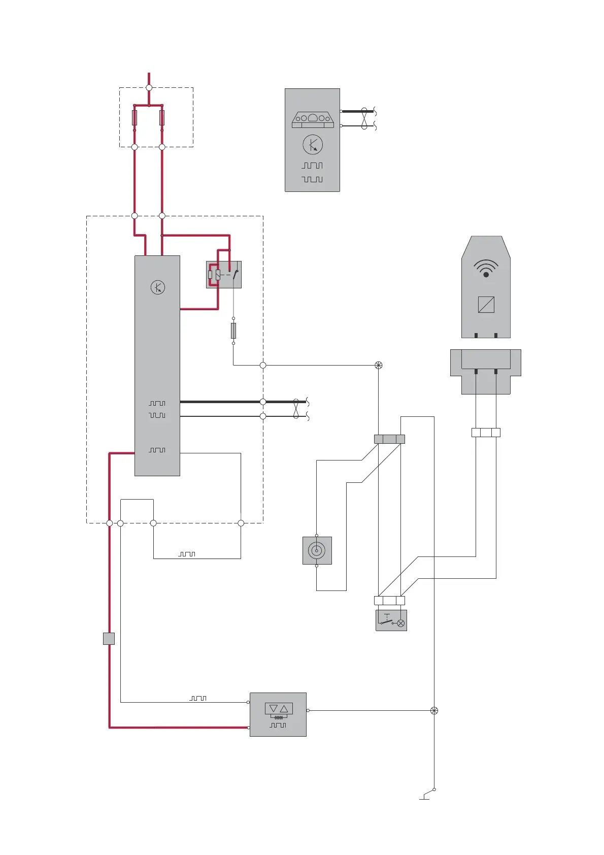
Group 36 Additional electrical equipment, Accessories
Alcohol lock

Table of Contents

Other manuals for Volvo XC70 2012

Related product manuals