EasyManua.ls Logo

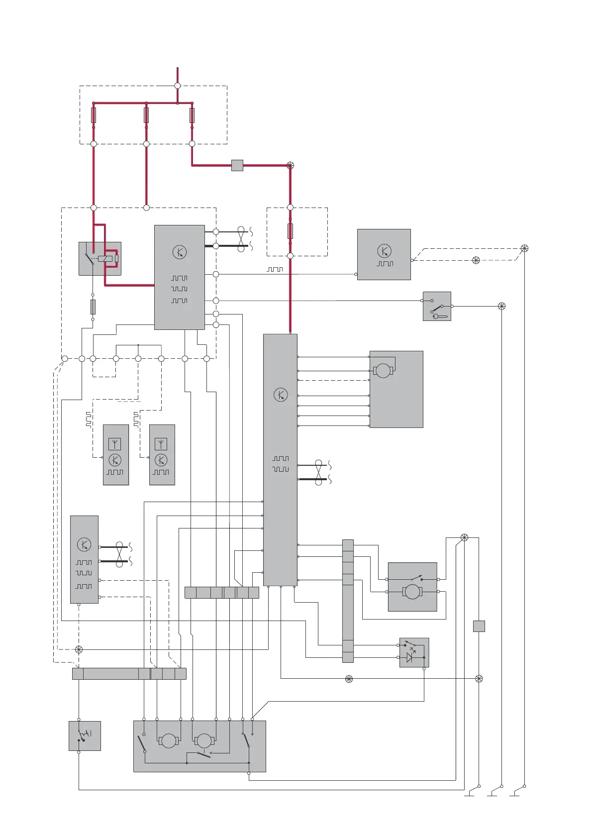
Volvo XC70 2012 - Group 83 Doors and Openings; Central Locking Trunk Lid;Tailgate V70

Volvo XC70 2012
364 pages
Print Icon
To Next Page IconTo Next Page
To Next Page IconTo Next Page
To Previous Page IconTo Previous Page
To Previous Page IconTo Previous Page
Loading...
TP 39217202 XC70(08-) & S80(07-) 2012 174
11A/1
2
1
30+
1
2
11A/2
CAN
3/173
CEM
F3
4/56
PO
31/47
73/5105
31/10
73/4012
C3:43
C3:49
C5:2 C5:1
LIN
RD-BK
RD-BU
15/31
GN-YE
GN-VT
1
2
BK-WH
BK-WH
6
1
2
6
5
LIN
BK
BK
LHD
RHD RHD
73/4016
31/83
73/4017
BK
3/111
LSM
BK
2
1
6/8
3/291
3
11 7
3
1
5
4
2
1
5
1
6/149
3
2
2
3
4
3/35 10/3
PC
4/116
POT
CAN
73/6001
74/603
74/602
CL
4/93
KVM
74/602
74/602
1A/3
1
1
2
11D/A5
2
1
15/32
74/504B
73/5075
YE-OG
GN-YE
RD
BK-OG
YE-OG
RD-GN
RD-GN
GN-WH
RD-GN
GN-OG
GY-BN
GY-BN
GY-BN
GY-BN
GN-VT
C2:71 C2:63C3:44 C4:6
C2:70
C2:8 C2:43
C2:5
C2:39
C2:30
C1:8
C1:1
C2:4
C3:3
C5:18
C2:12
C2:14
C2:1
C2:8
C2:11
C2:14
C2:7
GY-YEGY-YE
BU-WH
GN-WH
GN
YE-OG
GN-OG
BK-OG
YE-OG
GN-OG
GN-WH
BK-OG
BU-WH
BU-WH
BK-OG
GN-OG
BU-BK
BK-OG
BK-OG
C2:4
GY-YE
BK
BK
GN-YE
YE-OG
BK-OG
GN-OG
GN-BU
GY-BN
GY-BN
BU-WH
GN-BU
GN
REVERSE
OPEN
LOCK
UNLOCK
CAN
2
5
7
6
10
9
7
4
12
2
1
10
11
13
12
LIN
4/119
2
TRX
LIN
LIN
4/119.2
2
LRX
C4:4
C4:3
C1:3
C1:4
C1:31
C1:30
PAWL-SW
AJAR-SW
CL-SW
I06048
73/5105
6
C2:13
BK
BK
73/5032
C2:24
GY-YE
GY-YE
6/165
6
2
9
1
4
C2:8
C2:1
C2:2
C2:10
C2:9
C2:3
8
BN-WH
WH
YE-VT
BG-WH
BN-GN
BU-BN
10
C2:6
WH
CL
Group 83 Doors and openings
Central locking trunk lid/tailgate V70

Table of Contents

Other manuals for Volvo XC70 2012

Related product manuals