EasyManua.ls Logo

Volvo XC70 2012 - Climate Control System 5- & 6-Cyl. 1:2

Volvo XC70 2012
364 pages
Print Icon
To Next Page IconTo Next Page
To Next Page IconTo Next Page
To Previous Page IconTo Previous Page
To Previous Page IconTo Previous Page
Loading...
TP 39217202 XC70(08-) & S80(07-) 2012 202
6/28
ECM
4/46
30+
1
2
11B/38
11A/2
2
1
1
2
11A/1
4/31
+
-
2
1
2
3
BK
VT-BK
CEM
4/56
CAN
CAN
7/8
P
P
5 CYL
C1:1
C2:1
y
M
x
M M
F
6/62
MEM
X
MEM
Y
17
18
1
2
7/12
BN-BU
3
5
73/4028
74/401
C5:1
C3:73
C5:2
C1:31 C1:30
C3:1
C3:2GY-YE
BK-WH
WH
Au
Au
74/507
74/504
74/301
7/69
31/10
1
14 13 15
132
BN
GN-BN
GY-BN
B:32
A:94
B:8
B:23
B:16
B:55
ECM
4/46
CAN
I5D
VED5
I6
I6T
B6324S2
B:10
A:85
Ag
Ag
Ag
Ag
Ag
Ag
B:31
B:51
B:53
B:27
GY-BU
GY-BU
GY-BK
GY
GY-BN
GN-BN
BN
GY-VT
GY
GY-BN
GN-BN
BN
GY-VT
11B/11
2
1
5(87)
3(30)
1(86)
2(85)
2/32
R10
5(87)
3(30)
1(86)
2(85)
2/22
R13
1
2
11B/33
1
2
11B/30
VT-WH
VT-WH
11B/32
1
2
1
74/411
15/31
8/3
LIN
6
7
BK-WH
WH
BK-WH
WH
BK-WH
WH
B:34
B:35
Ag
Ag
C2:2
1
2
F14
YE-RDYE-RD
YE-RD
YE-RD
RD-BU
RD-BK
4
RD
BK-WH
8
74/301
73/3039
B:15
B:24
C1:2C1:3
BK-WH
WH
6 CYL
Ag
Ag
Ag
Ag
Ag
Ag
Ag
Ag
2
C3:20YE-OG
4
1
I01160
C1:2
C1:3
C1:12
4/6
C°/F°
VT
-BK
C1:4
CAN
LIN
WH-GN
7
4
1
2
3
5
22
C1:22
C1:5
C1:17
C1:14
C1:16
BN-VT
VT-BN
YE-VT
BK
73/4016
31/83
BK
BK
A
74/401
CCM
WH-GN
C1:1
RD
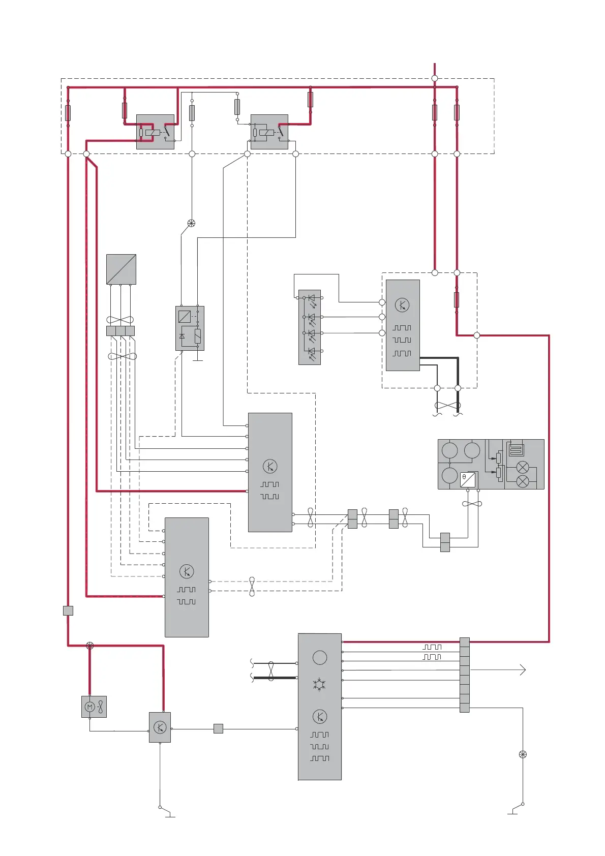
Group 87 Climate control system
Climate control system 5- & 6-Cyl. 1:2

Table of Contents

Other manuals for Volvo XC70 2012

Related product manuals