EasyManua.ls Logo

Volvo XC70 2012 - Climate Control System 4-Cyl. Diesel 1:2

Volvo XC70 2012
364 pages
Print Icon
To Next Page IconTo Next Page
To Next Page IconTo Next Page
To Previous Page IconTo Previous Page
To Previous Page IconTo Previous Page
Loading...
TP 39217202 XC70(08-) & S80(07-) 2012 200
6/28
C1:2
C1:3
C1:12
30+
11A/2
2
1
1
2
11A/1
4/31
4/6
C°/F°
+
-
2
1
2
3
BK
VT-BKVT-BK
C1:4
CEM
4/56
CAN
CAN
LIN
7/8
P
P
C1:1
C1:2
WH-GN
y
M
x
M M
F
6/62
MEM
X
MEM
Y
7
4
1
2
3
5
22
73/4028
74/401
C1:22
C1:5
C1:17
C1:14
C1:16
BN-VT
VT-BN
YE-VT
BK
73/4016
31/83
BK
BK
C5:1
C3:73
C5:2
C1:31 C1:30
74/301
7/69
31/10
1
14 13 15
132
BN
BN
GN-BN
GY-BN
GY-BN
GN-BN
GY-BK
GY-VT
11B/11
2
1
5(87)
3(30)
1(86)
2(85)
2/32
R10
5(87)
3(30)
1(86)
2(85)
2/22
R13
1
2
11B/33
1
2
11B/30
VT-WH
11B/32
1
2
1
74/411
15/31
8/3
A
LIN
7
6
WH
WH-BU
A:44
A:23
1
2
F14
YE-RD
YE-RD
YE-RD
YE-RD
74/401
RD-BU
RD-BK
4
CCM
WH-GN
C1:1
RD
RD
BK-WH
8
74/301
C1:3
C1:2
73/3094
31/XX10
BK-YE
BK-YE
ECM
4/46
CAN
B:14
A:2
A:33
A:45
A:52
4 CYL.D
A:40
A:28
17
18
1
2
BK-WH
WH
Au
Au
Au
Au
74/507
74/504
BK-WH
WH
BK-WH
WH
7/12
BN-BU
1
3
2
4
5
C3:1
C3:2
GY-YE
C3:20
YE-OG
I011586
11A/6
2
1
15/37
YE-RD
STOSTA
1.6 D.
73/3145
GY-BN
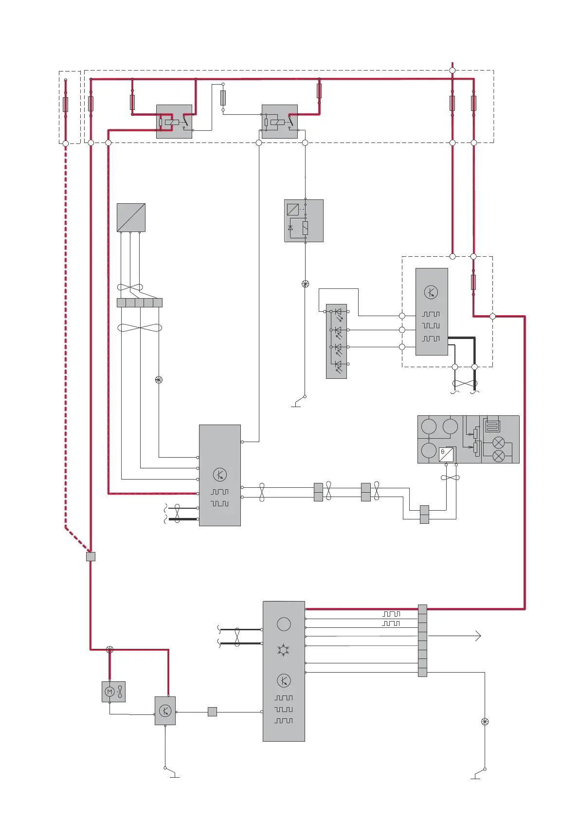
Group 87 Climate control system
Climate control system 4-Cyl. Diesel 1:2

Table of Contents

Other manuals for Volvo XC70 2012

Related product manuals