EasyManua.ls Logo

Volvo XC70 2012 - Lighting Mug Holder and Floor

Volvo XC70 2012
364 pages
Print Icon
To Next Page IconTo Next Page
To Next Page IconTo Next Page
To Previous Page IconTo Previous Page
To Previous Page IconTo Previous Page
Loading...
TP 39217202 XC70(08-) & S80(07-) 2012 118
31/15
BU-RD BK-VTBU-RD
BK-VT
BK-GN
BK-GN
BU-RD
BK-VT
BU-RD
BU-RDBU-RD
BK-VTBK-VT
BU-RD
BK-VT
BK-VT
C3:69
74/403
10X/72
74/1502
74/1503
74/502
7
1 2
1 2
BU-RD
BK-VT
BU-RD
BK-VT
1 2
2
2
1
10/72
73/5035
31/6
BK-VT
BK-VT
LIN
30+
1
CEM
4/56
2
11A/2
C5:1
C5:2
15/31
RD-BU
1
2
11A/1
RD-BK
CAN
C1:31
C1:30
BK-RD
BK-GN
C1:54C2:65
BK-RD
73/3030
31/96
BK-GN
BK-VT
BK-GN
73/3036
31/9531/84 31/7
1
2
10/161
10/286 10/287
19/4:1
19/4:2
BU-RD
BK-VT
BU-RD
BK-VT
1
2
2
1
LHD
LHD
LHD
RHD
RHD
RHD
73/5026
73/5023
G042613
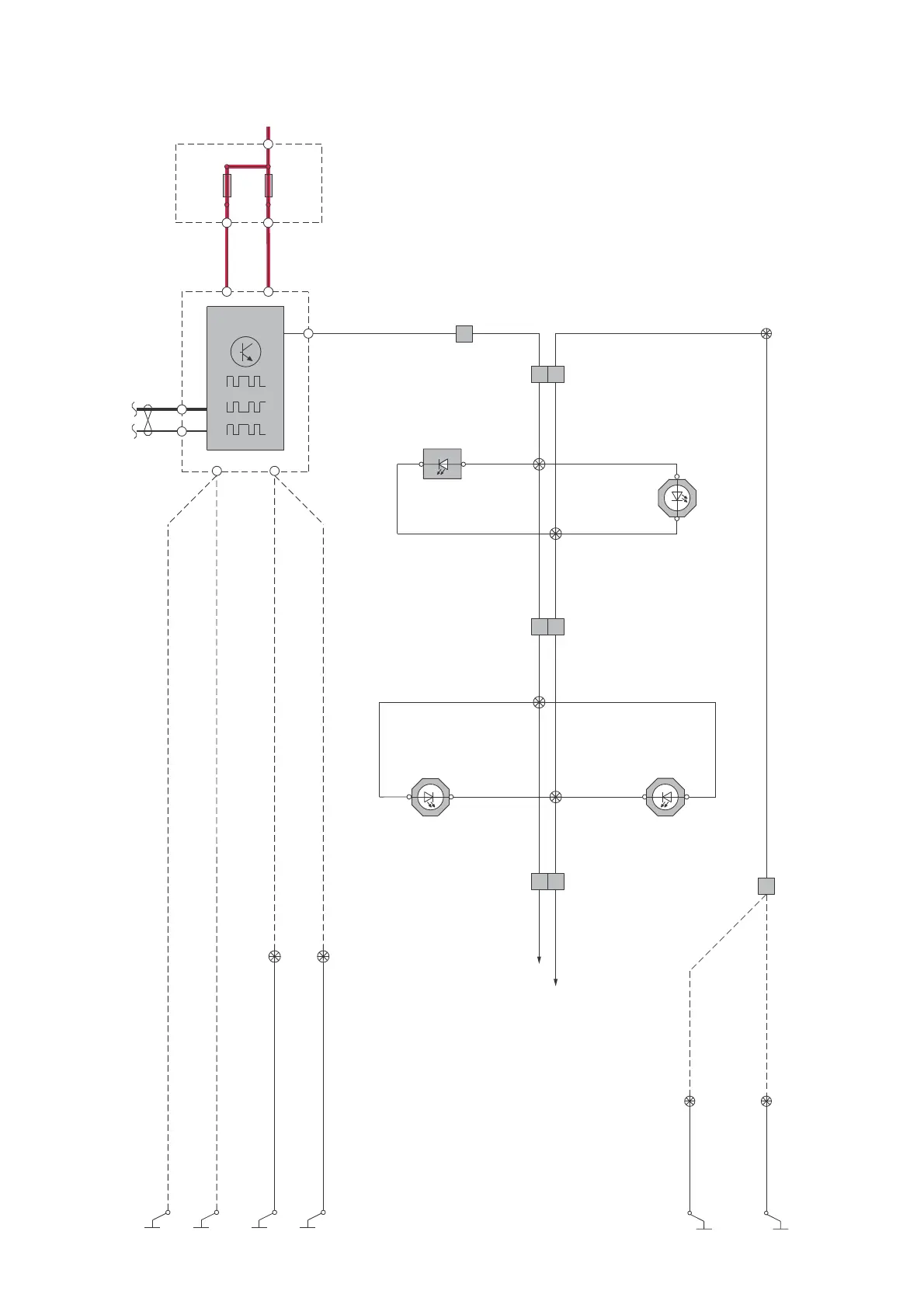
Group 35 Lighting
Lighting mug holder and floor

Table of Contents

Other manuals for Volvo XC70 2012

Related product manuals