EasyManua.ls Logo

Volvo XC70 2012 - Group 27 Engine Controls; Cruise Control 4-Cyl. Turbo

Volvo XC70 2012
364 pages
Print Icon
To Next Page IconTo Next Page
To Next Page IconTo Next Page
To Previous Page IconTo Previous Page
To Previous Page IconTo Previous Page
Loading...
TP 39217202 XC70(08-) & S80(07-) 2012 61
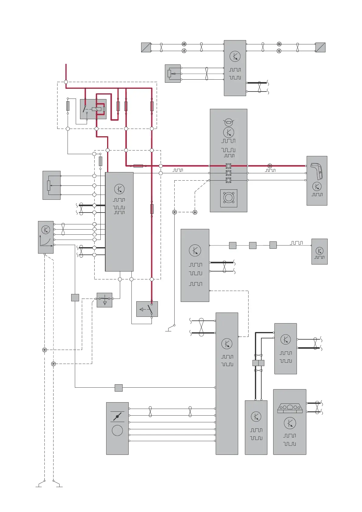
Group 27 Engine controls
Cruise control 4-Cyl. Turbo
WH
BN BN
C1:33
C1:34
WH
BN
WH
C1:46
C1:45
7/31
4/16
N
C1:12
C1:13
YE-VT
VT-RD
C1:26
C1:38
BCM
CAN
N
7/32
7/124
1
3
2
C1:27
GN-BK
2
1
2
1
73/3103
73/3102
73/3101
73/3100
BN
WH
2
30+
1
2
11A/1
RD-BK
15/31
3/130
1
2
C3:61
GN-WH
GN-BK
C3:48
C1:8
C1:7
C3:1
F7
73/4016
73/4017
C1:13 C5:1
4/56
CEM
CAN
LIN
LIN
C1:31
C1:30
C1:2
SWM
CAN
C3:3
C3:4
18/4
3
1
SWSL
3/4
LIN
BK
BK
LHD
BK
RHD
RHD
BK
31/83
B:54
B:41
31/84
74/301
4/46
ECM
B:26
BU-WH
73/5072
BK-BU
BK
BK-BU
BK-OG
CAN
BU-WH A:58
4
M
6
3
A:6
GN-VT
YE-VT
Au
Au
Au
A:81
ETA
6/120
2
1
A:74
BU-GN
YE-VT
A:19
73/5071
31/7
LHD
RHD
LHD
RHD
74/504
4 CYL T
7/51
1
4
2
5
3
6
C2:16
C2:34
C2:52
C2:58
YE-OG
GN-OG
VT-GN
BU-RD
BU-WH
CAN
C1:6
C1:2
5/1
DIM
4/80
FSM
CAN
C1:6
C1:7
2/31
F20
1
2
1
2
R7
11B/17
1
2
31
25
11B/27
C1:63
BU-WH
GN-VT
17
19
5
BNAu
Au
Au A:50
3/284
1
2
BK-BU
RHD
BK-OG
LHD
3/9
1
2
C2:26
11A/2
1
2
F22
1
2
C2:55C2:45
RD-WH
VT-WH
7/203
BN-BU
GY-BU
74/411
BN-BU
GY-BU
C1:8
C1:9
Au
Au
FLR
CAN
Au Au
GY-BK
4 5
C3:7
C3:6
ACC
RD-BU
C5:2
BN-GN
Au
Au
A:5
A:2
TCM
4/28
CAN
LIN
AUTO
3/156
A:7
74/411
BN-VT BN-VT BN-VT BN-VT
10
74/301
11
74/403
22
A:2
LIN
GSM
B:13
GY-BN
A:14
MPS6
18 9
7/123
C1:52
C1:34
C1:16
1
2
3
WH-VT
BN-GN
GN
Ag
Ag
Ag
Ag
Ag
Ag
Ag
Ag
Ag
Ag
I03149
B4204T7
B4204T6
B4164T

Table of Contents

Other manuals for Volvo XC70 2012

Related product manuals