EasyManua.ls Logo

Volvo XC70 2012 - Heated Rear Window

Volvo XC70 2012
364 pages
Print Icon
To Next Page IconTo Next Page
To Next Page IconTo Next Page
To Previous Page IconTo Previous Page
To Previous Page IconTo Previous Page
Loading...
TP 39217202 XC70(08-) & S80(07-) 2012 188
C°/F°
4/6
CCM
C1:8C1:10
CAN
3/8
CAN
RA1
2/82
2
11A/1
1
RD-BK
RD-BU
C5:1
C5:2
C2:2
YE-RD
LIN
2
11A/2
1
30+
4/56
15/32
9/2
16/141
74/504B
GY-RD
CEM
2
RD-GN
RD-GN
RD-GN
2
11A/3
1
11D/A3
1
15/31
2
1
3
5
2
C1:31
C1:30
1
73/5075
S80
9/2
V70
74/602
7
74/602
1
GY-RD
GY-RD
B:1A:1
BK-OG
73/5105
BK-OG
73/6001
31/47
BK-OG
BK-OG
V70
S80
RD-VT
RD-VT
G042324
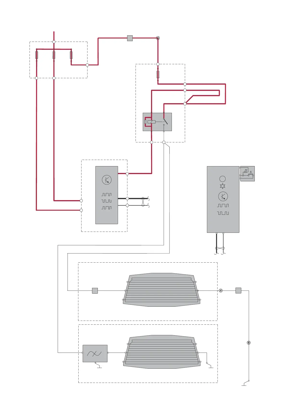
Group 84 Exterior decorative elements, etc.
Heated rear window

Table of Contents

Other manuals for Volvo XC70 2012

Related product manuals