EasyManua.ls Logo

Volvo XC70 2012 - Brake Lights V70

Volvo XC70 2012
364 pages
Print Icon
To Next Page IconTo Next Page
To Next Page IconTo Next Page
To Previous Page IconTo Previous Page
To Previous Page IconTo Previous Page
Loading...
TP 39217202 XC70(08-) & S80(07-) 2012 105
2
1
3/9
4/93
4
2
BK-OG
CAN
C1:31
C1:30
30+
1
CEM
4/56
CAN
KVM
2
11A/1
2
11A/2
2
F22
C5:2
C5:1
C2:55
C2:45
C2:9
C2:50
1
1
RD-WH
VT-WH VT-WH
C5:14
YE-GY
15/31
C2:59
RD-BU
RD-BK
LIN
GY-BN
74/602
2
BK
GY-BN
10/19
10/17
10/18
73/5089
BK-OG
BK-OG
VT-BN
BK
31/48
73/5033
BK-BU BK-BU
73/6002
VT-BN
C1:4
C2:4
C1:4
C2:4
C2:3
73/6001
BK-OGBK-OG
74/602
31/47
73/5105
7
BK-OG
BK-OG
C1:3
C1:3
C2:3
GY-BN
GY-BN
10/43
10/50
10/51
10/44
74/602
3
TURN
FOG
POS
REV
STOP
TAIL/STOP
GND
GND
TURN
FOG
POS
REV
STOP
TAIL/STOP
GNDGND
G042429
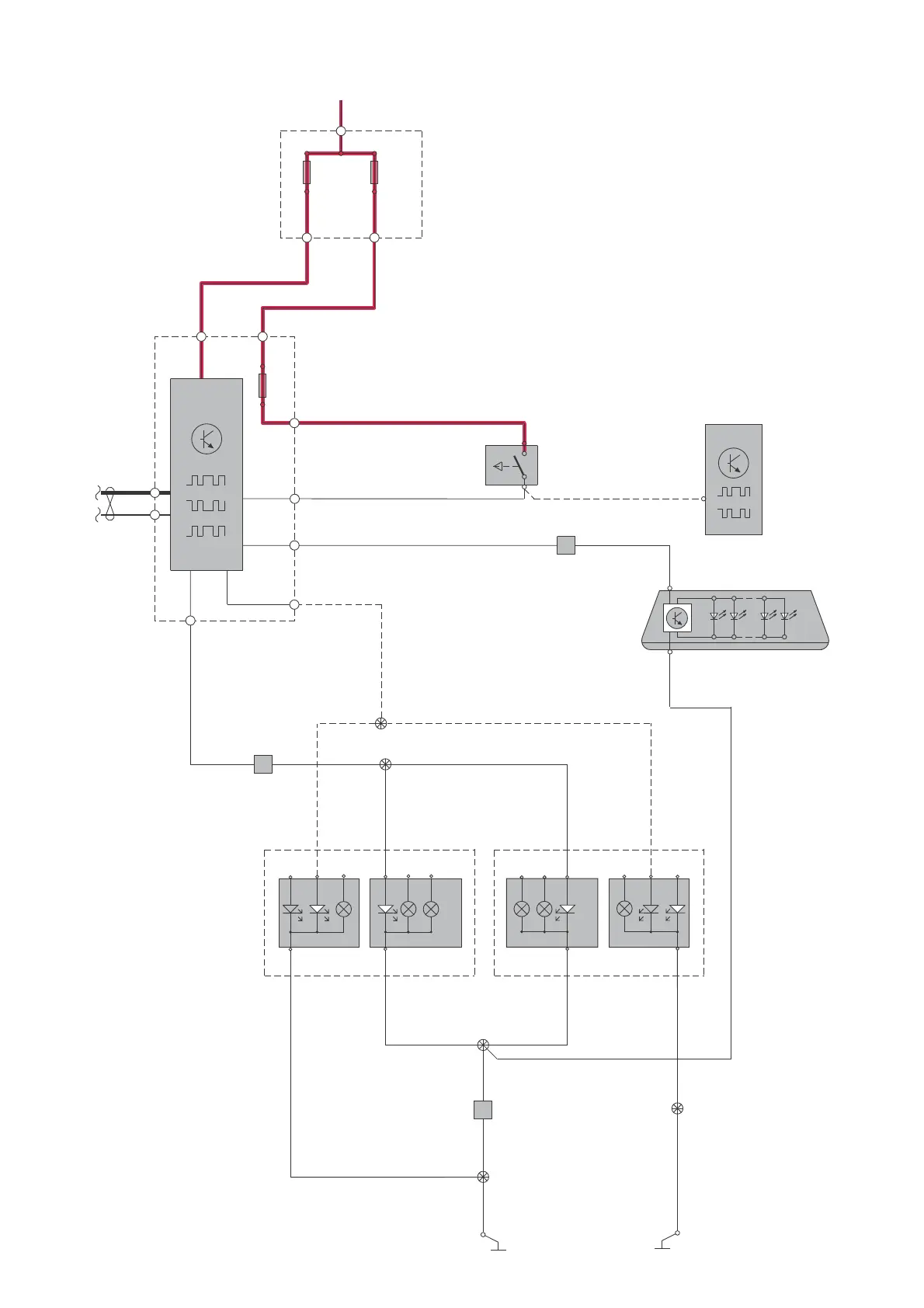
Group 35 Lighting
Brake lights V70

Table of Contents

Other manuals for Volvo XC70 2012

Related product manuals