EasyManua.ls Logo

Volvo XC70 2012 - Engine Management System B6304 T4 1:2

Volvo XC70 2012
364 pages
Print Icon
To Next Page IconTo Next Page
To Next Page IconTo Next Page
To Previous Page IconTo Previous Page
To Previous Page IconTo Previous Page
Loading...
TP 39217202 XC70(08-) & S80(07-) 2012 84
Turbo
1
2
MAF
R10
2
1
2/32
8/9
1
2
8/10
1
2
2(85)
1(86)
3(30)
5(87)
8/8
1
2
2
1
8/7
30+
2
1
8/11
WH
7/17
1
5
2
YE-VT
BU-GY
BU
YE
BU
BK-OG
BK-RD
YE-BU
BK-RD
BK-RD
BK-RD
31/90
31/89
4
2
2
3
1
20/6
43
1
20/4
VT-BN43
1
20/8
20/5
1
34 BU-OG
GY-BK
VT-BK
YE-GY
YE-GY
YE-GY
YE-GY
YE-GY
43
1
20/7
WH
WH
73/3058
GN-VT
YE-BU
GY
BU-GN
BU-BN
WH
WH
WH
WH
WH
WH
73/3004
4/46
7/23
YE-RD
GN-RD
B
A
A:82
A:80
A:83
A:79
A:81
A:66
A:14
A:60
A:59
A:43
A:61
A:20
A:58
A:57
A:56
A:24
A:23
A:69
6 CYL
ECM
CAN
YE-GY
D
GY-BU
C
7/25
YE-VT
GN-BN
A:30
A:6
1
2
1
2
7/24
VT-OG
GY-BK
A:42
A:19
BU-RD
A:46
A:71
A:63
P
7/156
3
2
1
4
GY-BU
GYGY
GY
BU-BN
BU-OG
BU-BN
BU-BN
A:70
4
2
1
VT-BN
A:22
BU-RD
YE-OG
VT-GY
GY-YE
GN-BU
BU-BN
A:21
A:47
15/31
11
2
11B/37
2
11B/36
1
2
11B/35
11B/30
73/3053
73/3010
73/3009
3
2
1
8/6
A:78
GN-WH
GY-VT
RD-VT
A:95
YE-OG
A:78
1
1
Au
Au
1
2
11B/38
1
2
7/166
3
A:73
A:13
BK-OG
YE-GY
43
1
20/3
1
2
7/81
3
P
GY-BU
GY-BU
7/16
A:68
73/3039
QLT
1
2
20/16
+
BK-OG
GY-BU
8/28
8/68
7/165
1
3
2
A:37
GN-BN
4
A:45
BU-BN
GY-OG
GY
A:72
P
YE-GY
31/88
Au
Au
Au
Au
Au
Au
Au
Au
Au
Ag
Ag
Ag
Ag
Ag
Ag
Ag
Ag
Ag
Ag
Ag
Ag
Ag
Ag
Ag
Ag
Ag
Ag
Ag
Ag
Ag
Ag
Ag
Ag
Ag
Ag
Ag
Ag
Ag
Ag
Ag
Ag
Ag
Ag
Ag
Ag
Ag
Ag
Ag
Ag
Ag
Ag
Ag
Ag
Ag
Ag
Ag
6
5
4
3 Au
Au
Au
Au
2
1
ETA
6/120
BU-GN
BU-OG
YE
YE-VT
GN-VT
BU-RD
M
BK-OG
A:75
A:74
A:17
A:67
A:48
A:65
I01012
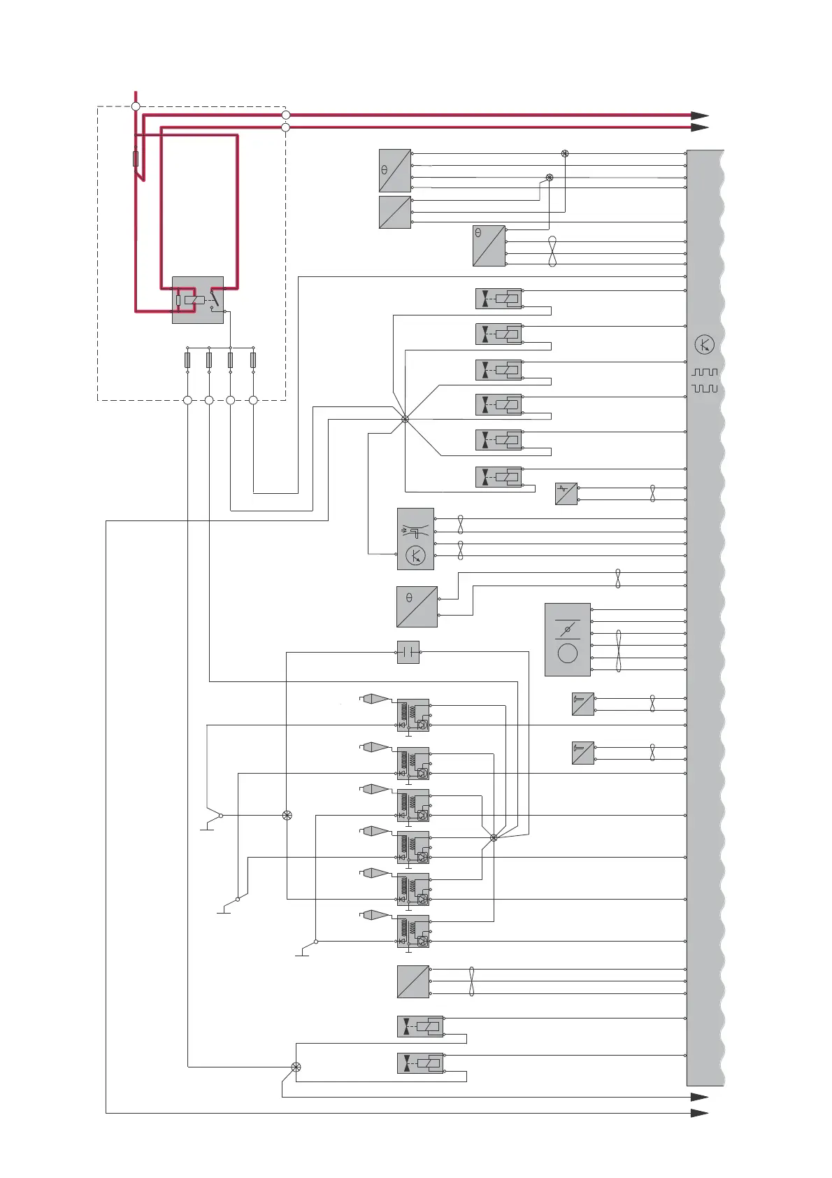
Group 28 Ignition and control system
Engine management system B6304T4 1:2

Table of Contents

Other manuals for Volvo XC70 2012

Related product manuals