EasyManua.ls Logo

Volvo XC70 2012 - Parking Heater, Remote Start

Volvo XC70 2012
364 pages
Print Icon
To Next Page IconTo Next Page
To Next Page IconTo Next Page
To Previous Page IconTo Previous Page
To Previous Page IconTo Previous Page
Loading...
TP 39217202 XC70(08-) & S80(07-) 2012 205
11B/10
2
1
OVERHEAT
+
-
C1:6
CPM
YE-VT
31/XX15
1
4/7
4/56
CEM
9/30
6/35
G:3
F:4
G:2
E:2
6/73
G:6
C1:11 C1:3
FUEL COOLANT
GLOW
74/504
CAN
31/68
BK-OG BK-OG
30+
BN
-
+
-
+
TEMPPREHEAT
G:7
F:3
E:1
7
10
9
BU
RD
BN
BN
RD
RD
YE
YE
BU
RD
BN
YE
GN-OG
WH-VT
1
2
2
1
LIN
11A/2
2
1
11A/1
2
1
73/3019
73/3020
C1:4
A:2
C1:31 C1:30
C5:1
C5:2
RD-BK
RD-BU
VT-OG
GY-OG
VT-OG
GY-OG
VT-OG
GY-OG
BK BK
GN
RD
RD RD
BK
GN GN
RD
D:2
B:2
B:3
D:5
D:4 D:7 A:1
C1:7
C1:10
C1:9
YE-RD
YE-RDYE-RD
GN-BN
VT-GN
15/31
CAN
CAN
C1:8
C1:10
C°/F°
4/6
CCM
73/3034
BK-RD BNBNBN BNBK-RD
41
74/512
14
12
4
74/512
74X/9
4
74/9
74X/9
7
10
9
2
BN
RD
BU
74/9
74X/9
8
C1:2
11 36
74/9
11 36
E
D
4/106
C
FUSE 1A
21
G042648
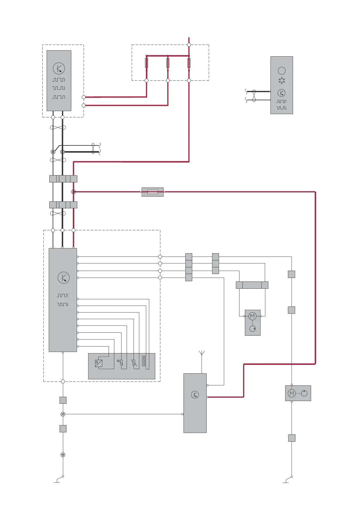
Group 87 Climate control system, Accessories
Parking heater, remote start

Table of Contents

Other manuals for Volvo XC70 2012

Related product manuals