EasyManua.ls Logo

Volvo XC70 2012 - Parking Assistance

Volvo XC70 2012
364 pages
Print Icon
To Next Page IconTo Next Page
To Next Page IconTo Next Page
To Previous Page IconTo Previous Page
To Previous Page IconTo Previous Page
Loading...
TP 39217202 XC70(08-) & S80(07-) 2012 131
15
1
14
13
15
16
17
12
15
2
4
6
5
3
11A/2
2
1
30+
15/31
C2:5
C5:1
C5:2
4/56
31/48
CAN
CEM
PAM
4/86
CAN
11A/5
2
1
11A/1
2
1
C3:11
C3:8
C1:8
C3:5
C3:3
C3:2
C3:4
BU-WH
YE-OG
YE-GY
YE-BK
YE-GN
BK-GN
BK-BU
RD-BU
RD-BK
GN-WH
BU-WH BU-WH
BU-WH
BU-WH
BU-WH
YE-OG
YE-GY
YE-BK
YE-GN
GN-WH GN-WH
GN-WH
GN-WH
GN-WH
73/5064
7/134 RR/O
RR/I
LR/I
LR/O
7/133
7/132
7/131
1
3
2
1
3
2
1
3
2
1
3
2
1
73/5067
73/5029
74/523
74/519
74/309
73/3046
73/3047
llll
7/2047/207
1 23123 123 123
7/206 7/205
YE-OG
C2:1
BU-GN
C2:5
BU-BK
C2:6
BU-GY
C2:7
BU-OG
C2:8
VT-GY
YE-OG
BU-GN
BU-BK
BU-GY
BU-OG
VT-GY
YE-OG
VT-GY
YE-OG
BU-OG
VT-GY
YE-OG
BU-GY
VT-GY
YE-OG
BU-BK
VT-GY
YE-OG
BU-GN
VT-GY
C2:2
RF/O RF/I LF/I LF/O
6
5
10
11
12
4
C1:1
YE-BU
YE-BU
73/5091
C1:31
C1:30
C1:7
C1:14
RD-BN
2
15/36
11C/28
1
1
2
3
5
2/88
R1
RD
BU
I06030
BK-GN
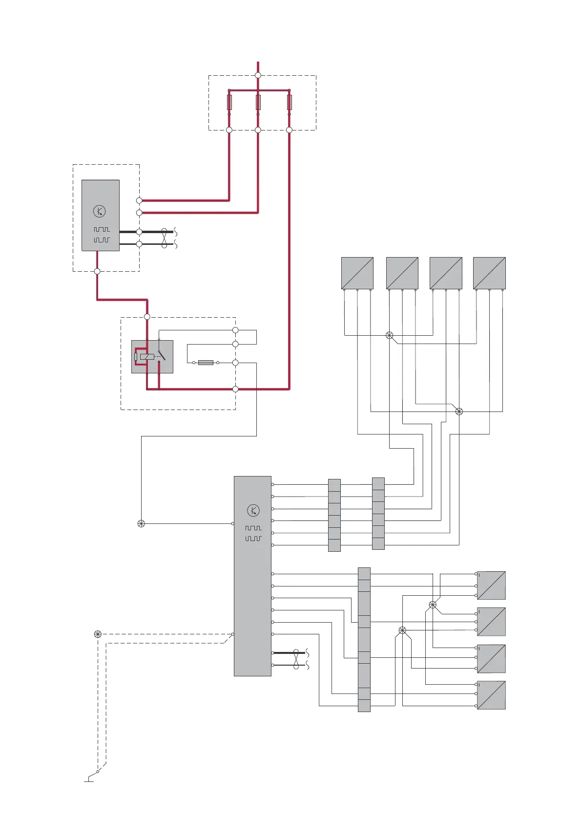
Group 36 Additional electrical equipment
Parking assistance

Table of Contents

Other manuals for Volvo XC70 2012

Related product manuals